EasyManua.ls Logo

Sony ICD-U50 - Page 31

Sony ICD-U50
38 pages
Print Icon
To Next Page IconTo Next Page
To Next Page IconTo Next Page
To Previous Page IconTo Previous Page
To Previous Page IconTo Previous Page
Loading...
55
ICD-U50/U60/U70
ICD-U50/U60/U70
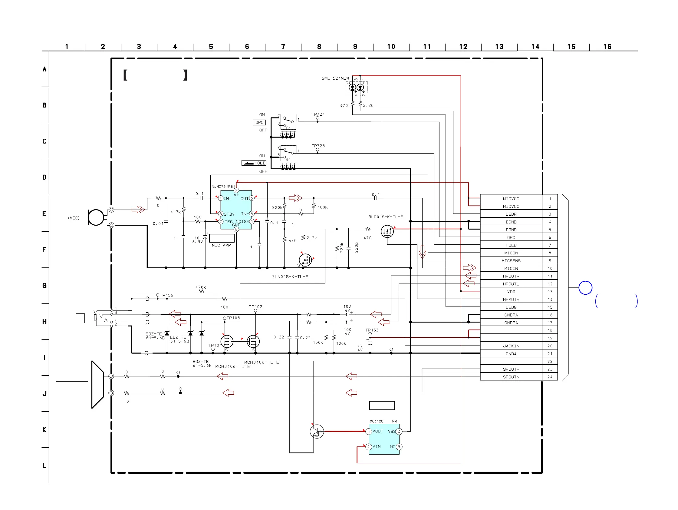
SCHEMATIC DIAGRAM – JACK BOARD –
0
0
0
2.8
0 (1.3)
0.1 (1.3)
0
2.8
2.8
0
*
2.8
1.5
2.8
0
0
no mark : PLAY
( ) : REC
*
: Impossible to measure
i
SPEAKER
SP901
JACK BOARD
MIC CONTROL
HP MUTE CONTROL
S
HP MUTE CONTROL
24P
MIC901
TP152
TP151
TP154
IC101
DCDCEN
BATT
BATT
22
22
3602
IC506
VOTAGE DETECT
VOLTAGE
CONTROLLER
LD101
J101
FB104
FB102
FB101
FB103
R121
LD102
R101
R103
R105
R114
R166
R165
R167
R168
LD152
LD151
R113
R122
R119
Q102
Q103
Q104
C108
C116
IC506
Q506
RT1N144M-TP-1
C115
R708
D702
CN704
S707
S706
R709
Q101
R102
C102
IC101
C101
C103
C117
C118
C514
C104
D105
D104
D103
C106
C105
C119
C107
R104
R106
R109
R120
R108
R115
R116
(PLAY)
(REC)
A
MAIN BOARD
CN703
SUPPLEMENT-1
: Page 7

Related product manuals