EasyManua.ls Logo

Sony KD-75XF8596 - Диаграма На Свързване

Sony KD-75XF8596
424 pages
Print Icon
To Next Page IconTo Next Page
To Next Page IconTo Next Page
To Previous Page IconTo Previous Page
To Previous Page IconTo Previous Page
Loading...
D:\SONY
TV\CHH\SY18_CHH85_EU_RG121\SY18_CHH85_EU_RG121\4733257121\4733257121\17BG\473325
7121_17BG.fm
master page: Left
KD-85XF85xx / 75XF85xx / 65XF87xx / 65XF85xx / 55XF87xx / 55XF85xx / 49XF87xx / 49XF85xx / 43XF87xx /
43XF85xx
4-733-257-12(1)
12
BG
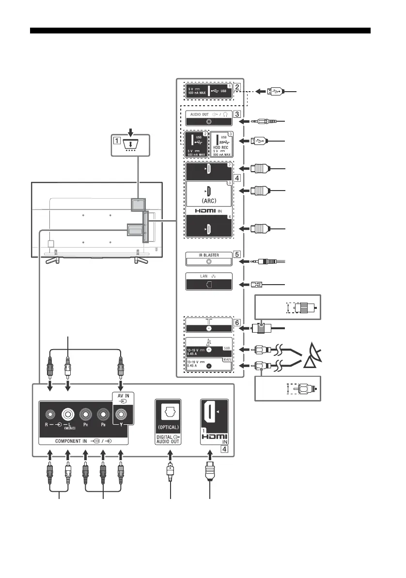
Диаграма на свързване
За повече информация за връзките, вижте Помощното ръководство чрез натискане на бутона
HELP на дистанционното управление.
Слушалки/аудио
система/Събуфер
Цифров фотоапарат/
камкордер/USB памет
DVD плейър с
компонентен изход
Аудио система с ARC /
HDMI устройство
HDMI устройство
IR Blaster
Видеорекордер/оборудване за
видео игри/DVD плейър/
камкордер/
външен декодер
(сет топ бокс)
CAM (Модул за
условен достъп)
HDMI
устройство
Кабел/антена/
външен
декодер (сет топ бокс)
Рутер
Аудио система с
оптичeн аудио вход
< 14 mm
< 14 mm
Сателит
HDMI устройство
Цифров фотоапарат/
камкордер/USB памет/
USB HDD устройство

Table of Contents

Related product manuals