EasyManua.ls Logo

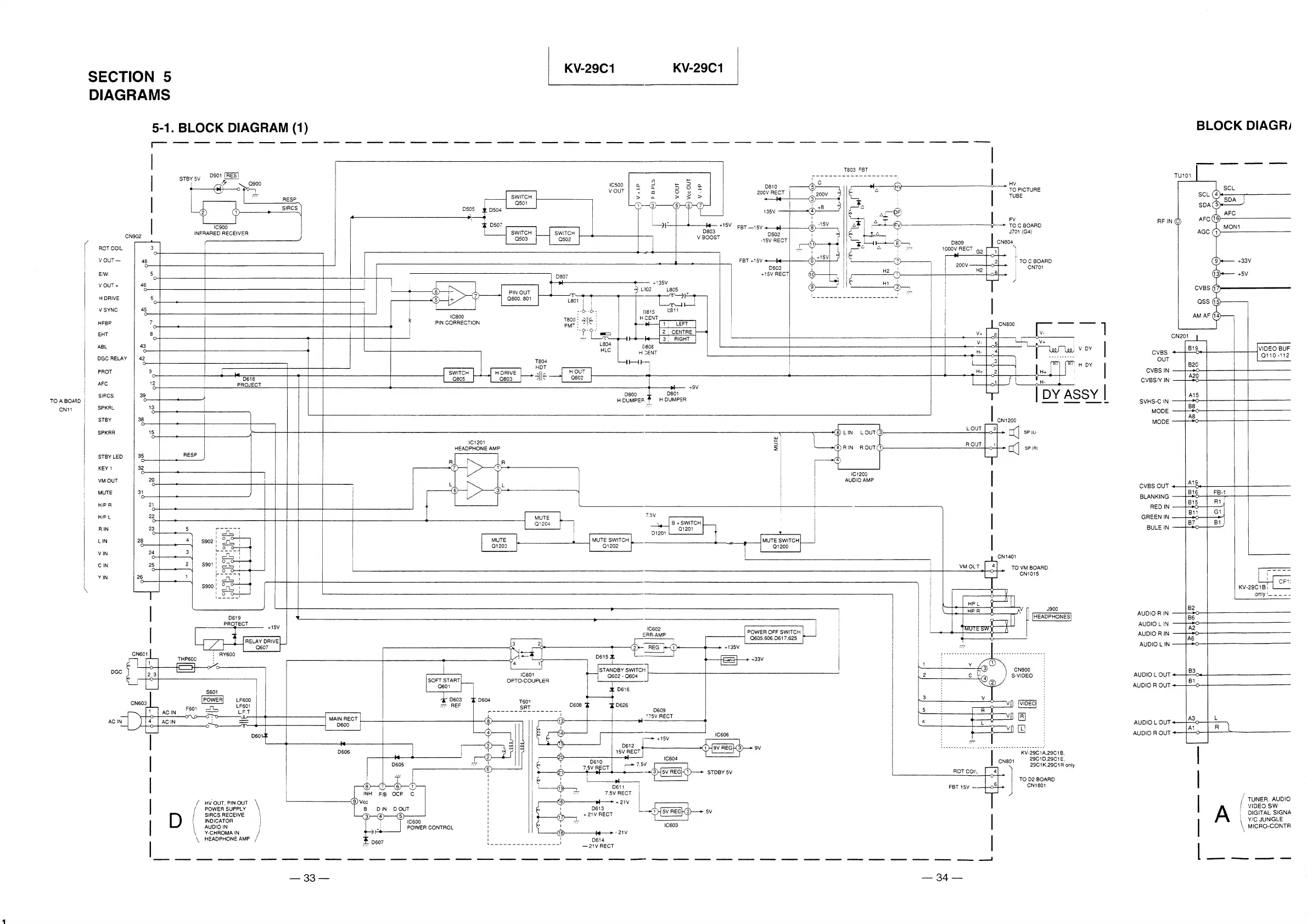
Sony KV-29C1D - Technical Diagrams and Parts Reference; Block and Schematic Circuit Diagrams

Sony KV-29C1D
72 pages
Print Icon
To Next Page IconTo Next Page
To Next Page IconTo Next Page
To Previous Page IconTo Previous Page
To Previous Page IconTo Previous Page
Loading...

Related product manuals