EasyManua.ls Logo

Sony MDR-NC11 - Section 3 Diagrams; Block Diagram

Sony MDR-NC11
11 pages
Print Icon
To Next Page IconTo Next Page
To Next Page IconTo Next Page
To Previous Page IconTo Previous Page
To Previous Page IconTo Previous Page
Loading...
4
MDR-NC11
SECTION 3
DIAGRAMS
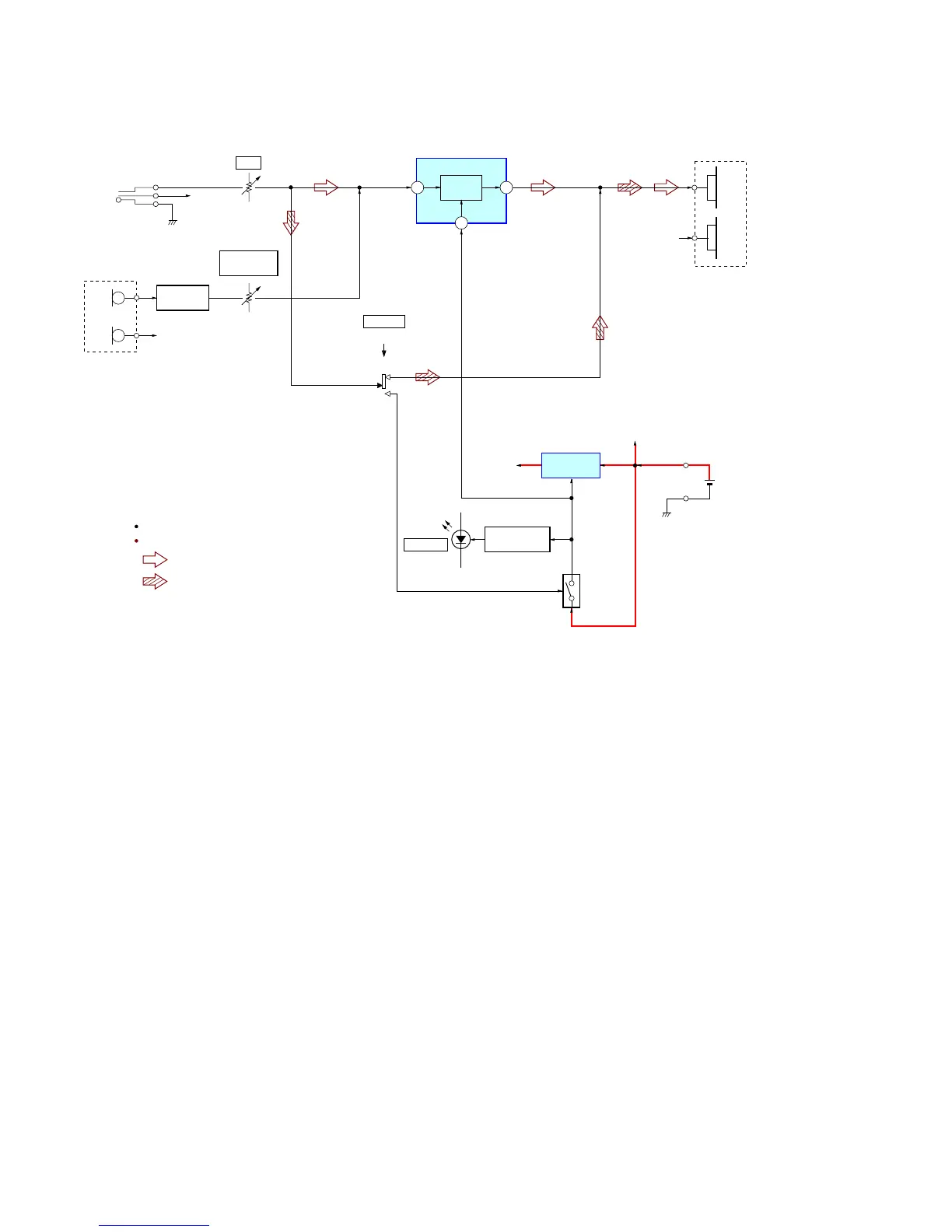
3-1. BLOCK DIAGRAM
P1
(LINE INPUT)
RV1
NOISE CANCEL
VOLUME (L)
BUFFER AMP
Q2
VOL
RV101
R-CH
R-CH
POWER AMP
IC101
POWER
AMP
92
1
S101
POWER
OFF
ON
DRY BATTERY
SIZE "AAA"
(IEC DESIGNATION R03)
1PC. 1.5V
POWER AMP
(IC101) B+
REGULATOR
IC102
B+
SWITCHING
Q101
D201
POWER ON
(L-ch)
(R-ch)
R-CH
HP1 (1/2)
(MICROPHONE)
(L-ch)
(R-ch)
HP1 (2/2)
(HEADPHONE)
: LINE INPUT (POWER ON)
: LINE INPUT (POWER OFF)
SIGNAL PATH
R-ch is omitted due to same as L-ch.
LED DRIVE, OSC
Q201,202

Related product manuals