EasyManua.ls Logo

Sony MHC-EX7 - Page 9

Sony MHC-EX7
103 pages
Print Icon
To Next Page IconTo Next Page
To Next Page IconTo Next Page
To Previous Page IconTo Previous Page
To Previous Page IconTo Previous Page
Loading...
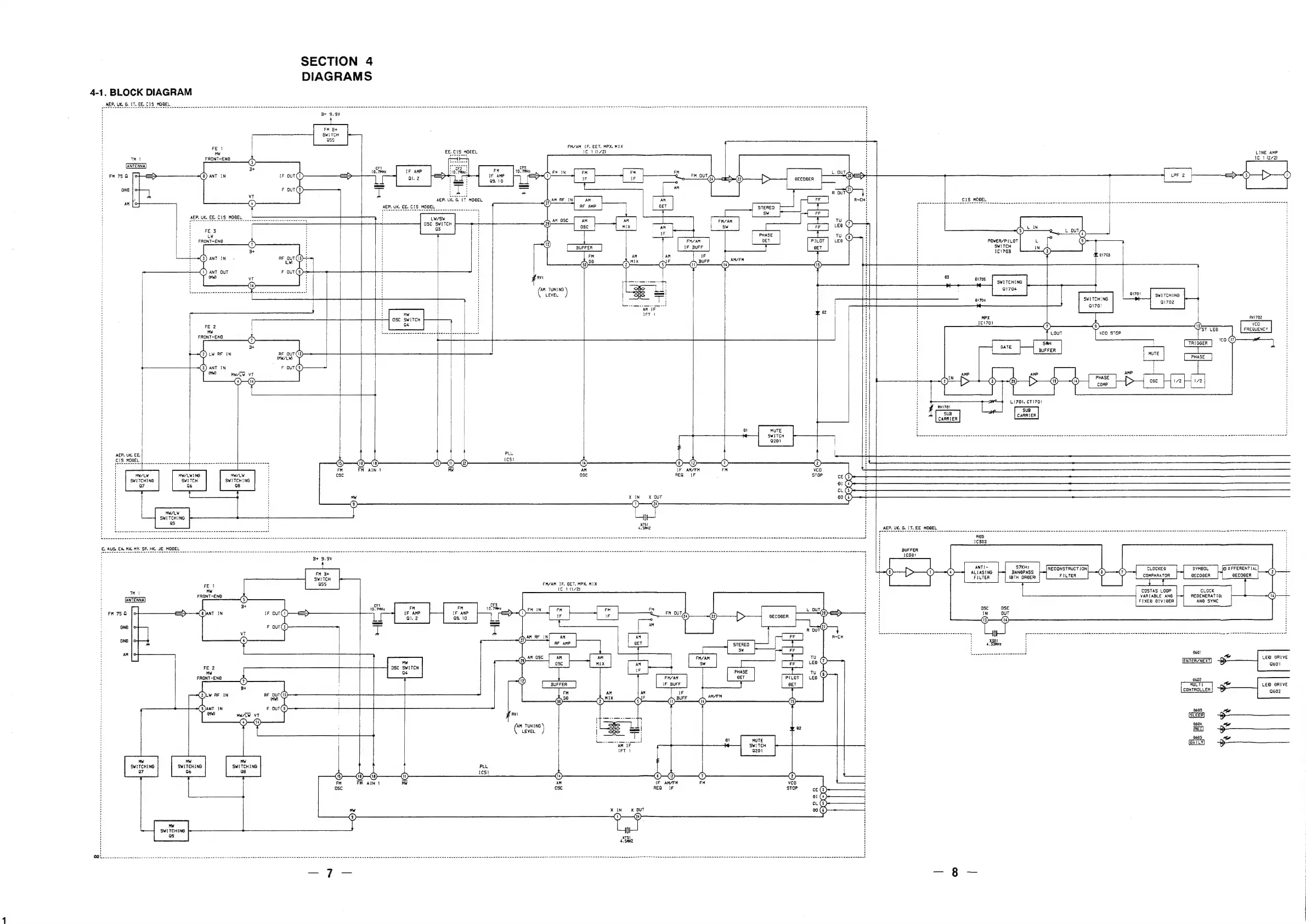
4-1.
BLOCK
DIAGRAM
AEP,
UK.
G17.
EE.
C1S
MODEL
AEP,
UK. EE,
MW/LW
SWITCHING
Q7
MW/LW
SWITCHING
as
poetacisizdacs
decee
sso
dss,
1
ANTENNA]
—\y
=>
MW
SWITCHING
07
aw
SWITCHING
MW/LWING
SWITCH
Qs
MW
SWITCHING
6
FE
3
lw
FRONT-END
(1)
MW/LW
SWITCHING
as
vw
FRONT-END
©)
FE
2
MW
FRONT-ENO
Mw
SWITCHING
a8
SECTION
4
DIAGRAMS
Mw
OSC
SWITCH
MW
OSC
SWITCH
a4
Lw/sw
Osc
SWITCH
Q3
RV)
‘AM
TUNING
LEVEL
FM/AM
IF,
OET.
MPX.
MIX
FM/AM
IF,
€ET,
MPX.
MIX
)
1c
1/2)
FM
IF
1c
1072)
ou
IN
FM
IF
in"
RF
IN
AM
RF
AMP
RVI
("
am_osc
[aM
(3)
osc
M
mine)
LEVEL
1F
AM/FM
REQ
IF
FM
OUT,
SECOBER
24
LINE
AMP
1c
1
(2/2
LP
POWER/PILOT
;
®
SWITCH
H
101703
G)
'
81705
|
swiTCHING
:
01706
H
SWITCHING
:
81706
SWITCH:NG
91702
Q170:
MPX
av1702
1¢1701
vcO
STOP
veo
:
FREQUENCY
;
AEP,
UK.
G.
17,
EE
MOSEL
BUFFER
S7KHz
BANOPASS
(@TH
ORDER)
CLOCKED
COMPARATOR
‘SYMBOL
SECOBER
(>
[FFERENTIAL
DECOBER
ALIASING
FILTER
COSTAS
LOOP
VARIABLE
ANO
FIXED
DIVIBER
CLOCK
REGENERATION
AN®
SYNC
0601
RIV
[ENTER/NEXT]
TED:
DRIVE
601
8602
LED
ORIVE
Q602
MULTI
CONTROLLER
0603
74
SS
2606
ae
>
2605
a
DAILY!
Sa

Related product manuals