EasyManua.ls Logo

Sony RM-450 - Page 34

Sony RM-450
53 pages
Print Icon
To Next Page IconTo Next Page
To Next Page IconTo Next Page
To Previous Page IconTo Previous Page
To Previous Page IconTo Previous Page
Loading...
IM-450/RM-450CE
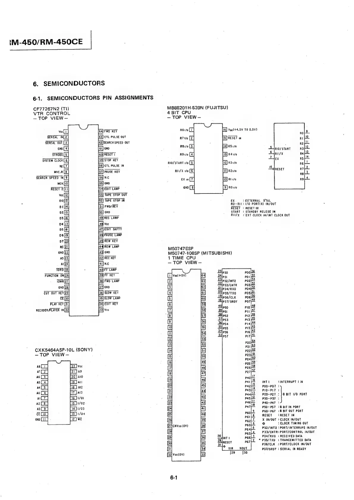
6.
SEMICONDUCTORS
6-1.
SEMICONDUCTORS
PIN
ASSIGNMENTS
CF77267N2
(TI)
VTR
CONTROL
TOP
VIEW
vee
ft
|
[64]
FWO
KEY
[63]
CTL
PULSE
OUT
[62}SEARCH
SPEED
OUT
cno[4|
[61]
GNo
STROBE
[5
|
[60]
RESET
|
System
cLock(6
|
[59]
STOP
KEY
NC
[58]
CTL
PULSE
IN
PAUSE
KEY
McK
[10]
[55]
Gno
RESET
2[11]
[54]
EDIT
LAMP
vee
[12
|
153]
TAPE
STOP
OUT
fis]
[52]
TAPE
STOP
IN
01
(14
[51]
FWO/REV
02(15]
[50]
GNo
03(i6]
[a9]
REC
LAMP
D4
[48]
vee
05
(te
|
EDIT
SAFTY
06(i9|
[46]
PAUSE
LAMP
07
(20)
[46]
REW
KEY
ne
[23]
[44]
REW
LAMP
no
[22]
143}
Gno
Ao
[23]
142]
REC
KEY
Al
fai]
N.C
TORD
(40)
FF
LAMP
[39]
FF
KEY
jowr
[27]
138]
FWO
LAMP
no
[28
137]
GND
cur
ouT
Key
{29]
SLOW
KEY
CE
fo}
135]
SLOW
CAMP
PLAY
KEY
[31]
[34]
EDIT
KEY
RECODER/PLAYER
IN{32|
133]
vec
CXK5464ASP-10L
(SONY)
TOP
VIEW
MB88201H-539N
(FUJITSU)
4
BIT
CPU
TOP
VIEW
R6i/0([1]
[16]
Voo(+4.5V
10
5.5V)
R7
1/0
[2
|
[15]
RESET
in
R81/0
[3
|
fia}
R570
R9I/0
[4
|
113]
R4
1/0
RIO/START
i/o
12}
R3
1/0
RII/X
s/o
[6]
[it]
R210
eX
10]
Rt
izo
eno
[
8]
[9]
ROWo
EX
D
EXTERNAL
X'TAL
RO~RI1:
1/0
PORT(R}
IN/OUT
RESET
=
RESET
IN
START
+
STANDBY
RELESE
IN
RUI/X
3
EXT
CLOCK
IN/INT
CLOCK
OUT
M50747ESP
MS50747-108SP
(MITSUBISHI)
1
TIME
CPU
TOP
VIEW
P33/CNTR
!
20
P34/RXD
INT
t
ZINTERRUPT
|
IN
POO-PO7
:
PIO-PI7
:
P20-P27
:
}8
BIT
1/0
PORT
P30~P37
;
P40-P47
P50-P57
<8
BITIN
PORT
P60-P67
:8
BIT
OUT
PORT
RESET
DRESET
IN
X
IN/OUT
=
CLOCK
IN/OUT
>
7
CLOCK
TIMING
OUT
P32/INT2
>
PORT/INTERRUP2
IN/OUT
P33/CNTR:
PORT/CONTROL
IN/OUT
P34/RXD
:
RECEIVED
DATA
*
P35/TXO
:
TRANCEMITTED
DATA
P36/CLK
:PORT/CLOCK
IN/OUT
P37/SROY
>
SERIAL
IN
READY
CNVss
(OV)

Other manuals for Sony RM-450

Related product manuals