EasyManua.ls Logo

Sony RM-450 - Page 36

Sony RM-450
53 pages
Print Icon
To Next Page IconTo Next Page
To Next Page IconTo Next Page
To Previous Page IconTo Previous Page
To Previous Page IconTo Previous Page
Loading...
RM-450/RM-450CE
RM-450/RM-450CE
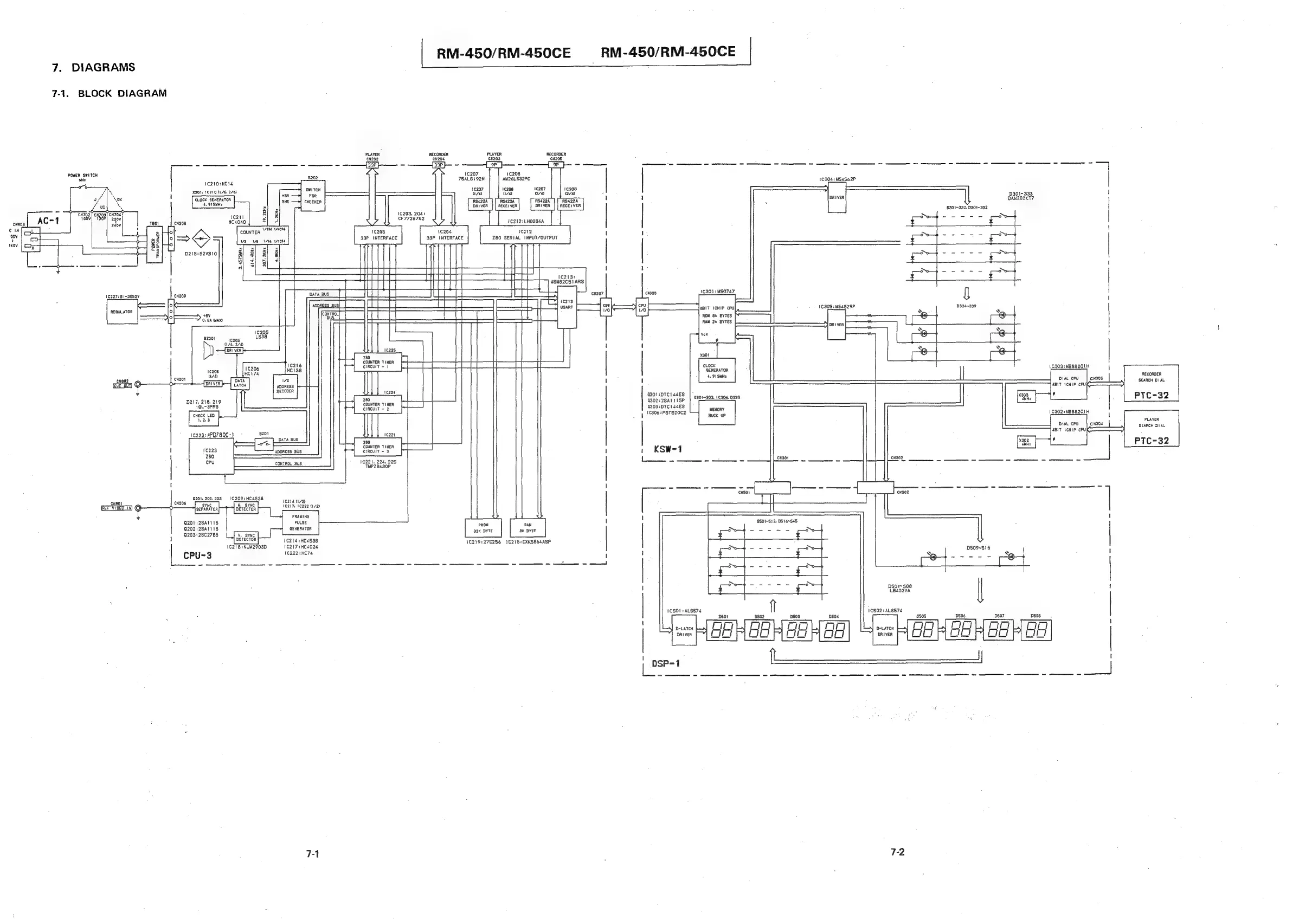
7.
DIAGRAMS
7-1.
BLOCK
DIAGRAM
PLAYER
RECORDER
PLAYER
RECORDER
cu202
CN204
ch203
CN20S
—-——_
-
——
-
——_
-
——_-
-
-
[9p
}-—
-
[3
}-
-
———
———
=
5
ee
ee
-
OOF
Powen
svitch
ies
1€207
1¢208
(coi
oiieie
7SALS192N
AM26LS32PC
10306
:MSeS62P
;
X201.
16210
(176
276)
SWITCH
10207
1¢208
1¢207
1¢208
-
+5¥
FOR
674)
aa)
C7)
C7)
.
D301-
333
enn
CHECKER
RSe22h
|
[
RSA2ZA
RaKazh
|
{
ROG22A
}
y
BAN2O2KT7
zo
DRIVER
} |
RECEIVER
DRIVER
|}
RECEIVER
5
3
2
1C211
8)
§
1€203,
204:
§301~332.
D301~a3:
He4s040
ial
SEaTEOINE
1C212:LHOO84A
ha
Sas
nie
ae
9%
counter
‘7°
“0
1€203
W206
W212
1
I
eas
hi
ee
Wi:
s1hee
WAR
ieak
33P
INTERFACE
33P
INTERFACE
280
SERIAL
INPUT/QUTPUT
sii
Si
co
eS
Be
z]
2]
<
a}
8]
&
mies
Sate
a)
418
ase
f
1
Cr
TT
{|
-
St
ain
rt
CT
16213:
Eo
ine
rT
MSN82C51ARS
.
+——
t
he
1¢227:81-3052¥
DATA
BUS
L
Rie
1301
:SO747
t
—]
a
an
ADDRESS
_BUS|
REGULATOR
ro
{dpi
cei
cPU
.
1€305:MS4529P
D334~339
'
CONTROL|
(|
|
~
Ss
ny
Hl
‘BUS.
ROM
8k
BYTES
rd
+
ry
RAM
2k
BYTES
9
br
VR
+
ig
\y
&
Vee
—~o—+
by)
(76
276)
ins
t
1c225
!
E
%,
%
280
i
|
x305
{
|
CQUNTER
TIMER
t
Jom
ciRcUIT
=
1
l
Lock
-
a
|
GENERATOR
(C303:
MB88201H
cng02
70
“|
4.
91SMHe
RECORDER
0
peter
t
i}
DIAL
CPU
cN3OS
SEARCH
DIAL
DECODER
4BIT
1CHIP
CPUKp
yy)
301
:DTC144ES
bal
Zounrer
TIMER
apoz:zsar
rise
}
Ssptcs0R
espe
ne
sa
|
PTC-32
CIRCUIT
-
2
Q303:DTC144ES
uexorY
|
I
j
16806:PsTS20C2
Buck
we
:
PLAYER
i
ENs04
SEARCH
DIAL
10221
4BIT
1cHIP
cPUK—
780
2*
=)
-———_
>}
fi
'
COUNTER
TIMER
PTC-32
CIRCUIT
-
3
| 1
KSW~1
10221,
224,
225
Le
ee
ne
-
ee
:
TMPZ8430P
'
I
1
cNs02
201,
202
203
1C209:HC4538
CN8O1
CN206
H.
SYNC
e254
(172)
al
(REE“ViDEO_TN)
DETECTOR
1e2i7,
16222
172)
FRAMING
@201:2SA111
Pl
=
920
peuitis
ican
od
RAN
t
$501~812,
D516~SéS
0203:28C2785
32K
BYTE
8k
BYTE
mie
e
7
R
5
pars
ey
Tava
eaTe
ane
!
F
Fe
TS
DS09~515,
CPU~3
C222:HC74
}
7
rte
.
<
ee
ee
8
ee
eer
ee
oe
Ce
LB402VA
1C501:ALSS74
1CS02:ALS574
DSOS
Dso4 DSO5 DSO6
DS07
ps08
MiriLy
Oe
5
OOoW
OIL
Go
L)
om
POO
Poo
RIVER
=
BG
OO
Poo
t
I
Dsor~
S08
|
t
1
I
71
.
7-2

Other manuals for Sony RM-450

Related product manuals