EasyManua.ls Logo

Sony SB-V3000 - Page 48

Sony SB-V3000
79 pages
Print Icon
To Next Page IconTo Next Page
To Next Page IconTo Next Page
To Previous Page IconTo Previous Page
To Previous Page IconTo Previous Page
Loading...
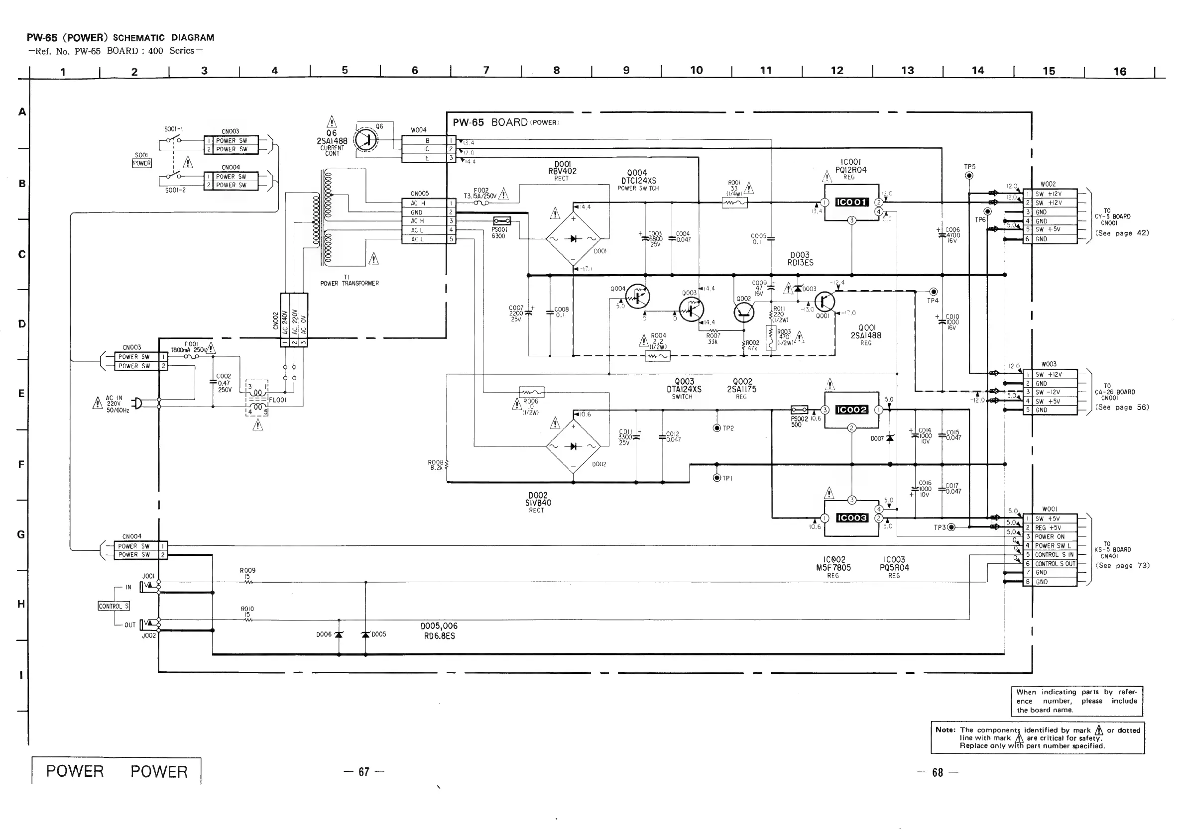
PW-65
(POWER)
SCHEMATIC
DIAGRAM
—Ref.
No.
PW-65
BOARD:
400
Series—
1
2
3
4
Soul
CNOO3
POWER
SW
POWER
SW
H
©
1
2
$001
A
g
i)
O
a
a
O
POWER
SW
5001-2
—e
[Power
Sw]
BOARD
Power)
10
11
12
5
6
7
BS
ipa
PW-65
Q6
;
c
\\
wo004
asalass
(bf
8a
a
Qe
E 3
CNOO5
GND
B/B|2|8
|x
x
~
HREM
QQQQQOOQQQQL
ACL
0000000
A
Tl
POWER
TRANSFORMER
F002
T3.150/250V
A\
CO
eo
Q004
DTCI24XS
PSOO!
6300
coo?
2200
25v
H
POWER
SWITCH
13
14
15
wool
Ww
+SV
EG
+5V
ale
OLo
nm
-
>
;
Q003
|
HOA
fawn
|
--—_—_———.-
OTe
AC
IN
re
1—=—=IFLOO!
ROO6
220V
—_
50/60Hz
Jy
14003
Ane
A
AN
ORE
0002
SIVB40
RECT
10.6
5.0
TP3@
ms
cNoo4
[Power
sw
||
1CQ02
1C003
ROO9
MSF
7805
PQ5RO4
‘ast
7
REG
REG
em
:
mc
Aug
=
bi
D005,006
Joo2
D006
D005
RD6.8ES
line
with
mark
Replace
only
wit
POWER
POWER
67
ES
WER
ON
WER
SW
L
CONTROL
S
IN
TROL
S
OU
Oo}
O
Vi
Viwa|nm
8
|
ete
jo
|
so]
on]
afore
[—|
L
oO
&
cep]
2 o
ence
number,
the
board
name.
Note:
The
nth
ork
Are
ert
by
mark
A
or
dotted
When
indicating
parts
by
refer-
please
are
critical
for
safety.
part
number
specified.
16
TO
CY-5
BOARD
CNOO!
(See
page
42)
TO
CA-26
BOARD
CNOO!
(See
page
56)
TO
KS-5
BOARD
CN401
(See
page
73)
include

Related product manuals