EasyManua.ls Logo

Sony SEQ-V7700 - Page 10

Sony SEQ-V7700
18 pages
Print Icon
To Next Page IconTo Next Page
To Next Page IconTo Next Page
To Previous Page IconTo Previous Page
To Previous Page IconTo Previous Page
Loading...
le
l10 l
11
|
13
1
14
|
12
15
c36r
cs2
0,0r 0 001
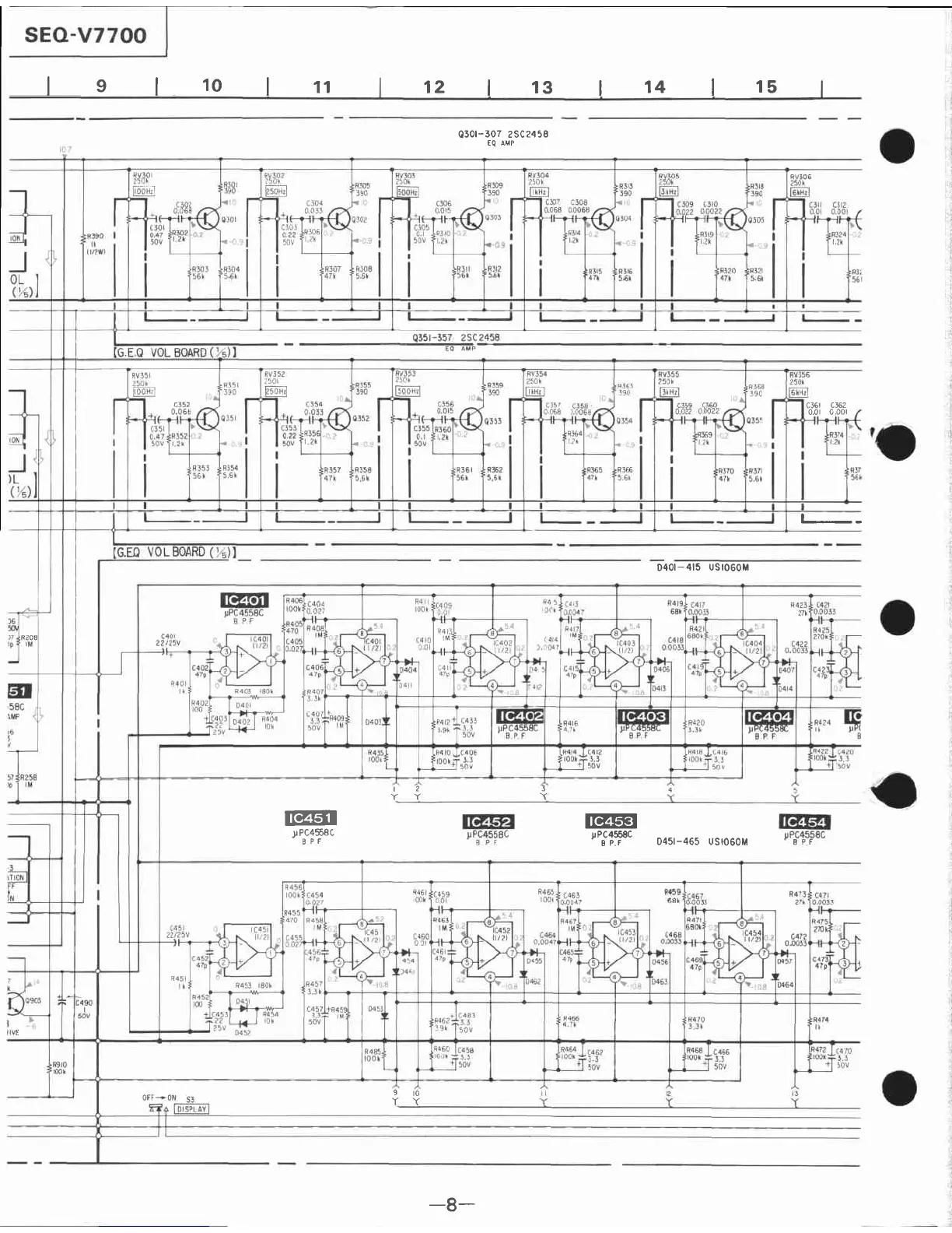
Q30t-307
2SC2458
EQ ÀMP
D40t-415
USr060tl
123
YY\
rEÆn
JtPC4568C
B
PF
tE@
"rtlP
o4sr-465 usrooo'
8PF
9t0
Y\
-8-

Related product manuals