EasyManua.ls Logo

Sony SL-5000 - TP-3 Board Schematic Diagram

Sony SL-5000
81 pages
Print Icon
To Next Page IconTo Next Page
To Next Page IconTo Next Page
To Previous Page IconTo Previous Page
To Previous Page IconTo Previous Page
Loading...
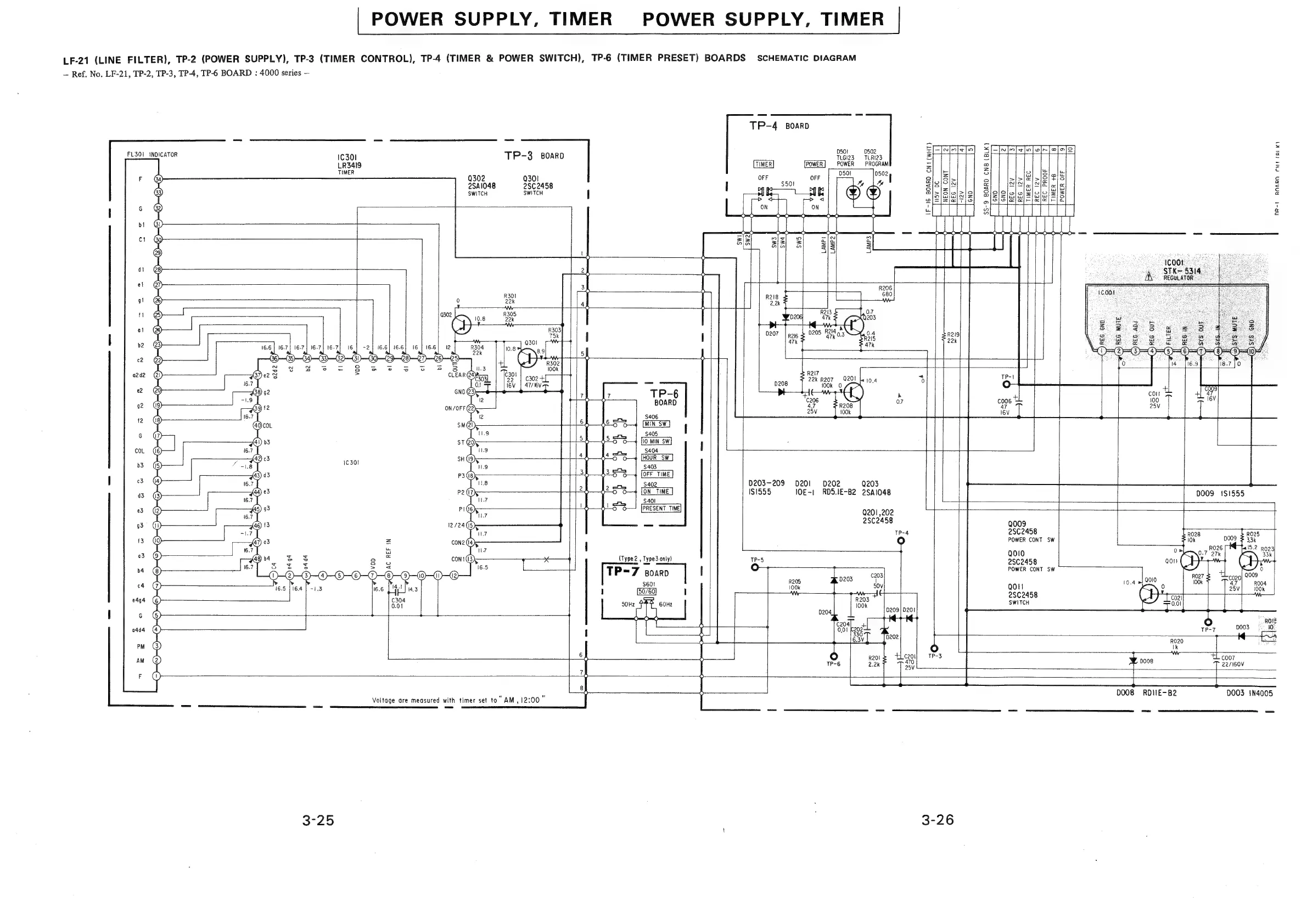
FL301_
INDICATOR
|
POWER
SUPPLY,
TIMER
POWER
SUPPLY,
TIMER
|
LF-21
(LINE
FILTER),
TP-2
(POWER
SUPPLY),
TP-3
(TIMER
CONTROL),
TP-4
(TIMER
&
POWER
SWITCH),
TP-6
(TIMER
PRESET)
BOARDS
SCHEMATIC
DIAGRAM
Ref.
No.
LF-21,
TP-2,
TP-3,
TP-4,
TP-6
BOARD
:
4000
series
Q302
2SA1048
SWITCH
TP-3
Board
Q30!
2502458
SWITCH
(@)
AC
REF
IN
TP-6
BOARD
S406
MIN
SW.
$405
10
MIN
SW
$404
[HOUR
sw]
$403
OFF
TIME
$40.
ON_
TIME
$401
o.°
[PRESENT
TIME]
TIME,
3°25
Voltage
are
measured
with
timer
set
to
AM,
12:00"
(Type2
,
Type3
only)
TP=7
poarp
$601
50/60
TP-4
BoaRD
[POWER]
LF-16
BOARD
CN1
(WHT)
[isv
oc
i]
[NEON
cont
[2]
[REG
i2v
[3
[av
4
[eno
|
ERPEP
Er
>>
xe
a
wolo
Zhuwlw
Ofacla
TIMER
REC
REC
PROOF
TIMER
+8
SS-9
BOARD
CN8
(BLK}
REC
l2v
0208
an
C206
Lae
22k
R207
9201
100k
0
0203-209
020!
IS1555
1OE-1
0202
Q203
RDS.IE-B2
2SA1048
201,202
2802458
TP-4
OWER
OFF
oy
DR-1
ANARN
cnt
IRI
K)
0009
1S1555
Q009
2S8C2458
POWER
CONT
SW
Q010
2802458
POWER
CONT
SW
Qoll
2802458
SWITCH
$e
Q009
R004
100k
RO28
RO25
10k
D009
33k
0
rN
R026
R023
Qo
ey
(Dy
RO27
10.4
P
100k
Tet
e
ROIr
TP?
D003
10
Td
R020
1
tk
AN
H
coo7
0008
22/160V
3-26
D008
§=RDIIE-B2
D003
1N4005
ST

Related product manuals