EasyManua.ls Logo

Sony SLT-A55 - POWER BLOCK DIAGRAM (1;5)

Sony SLT-A55
62 pages
Print Icon
To Next Page IconTo Next Page
To Next Page IconTo Next Page
To Previous Page IconTo Previous Page
To Previous Page IconTo Previous Page
Loading...
SLT-A33/A33L/A33Y/A55/A55V/A55L/A55VL/A55VY_L3
4-4
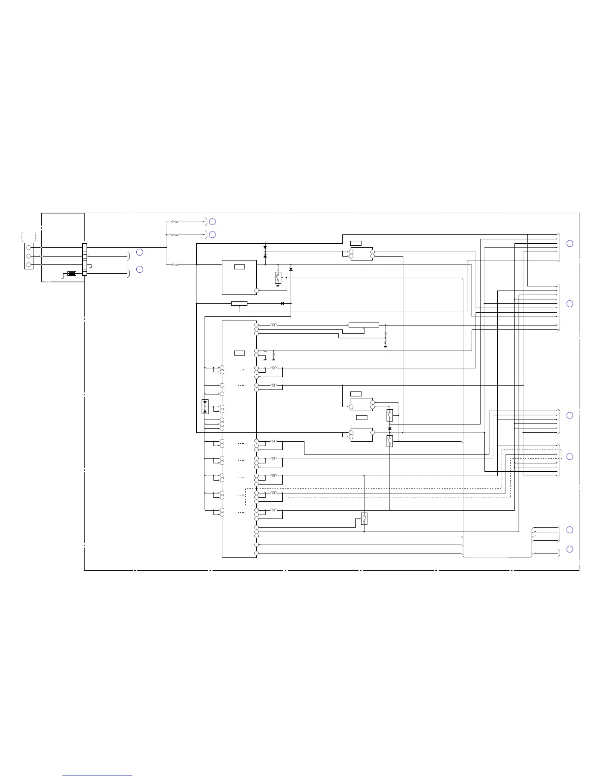
4-4. POWER BLOCK DIAGRAM (1/5)
( ) : Number in parenthesis ( ) indicates the division number of schematic diagram where the component is located.
POWER (2/5)
(PAGE 4-5)
H
POWER (3/5)
(PAGE 4-6)
A
N9
M9
L10
K13
K12
L11
C1
C2
D3
A7
B7
C8
F13
F12
G11
H1
M13
L1
N2
N3
N8
M8
L13
L12
B1
B2
A8
B8
G13
G12
E11
C7
A3
B3
DD_ON
BL_ON
IN2
LX2b
LX2a
IN4
LX4b
LX4a
IN3
LX3b
LX3a
IN1
LX1b
LX1a
IN5
LX5b
LX5a
PVDD5a
PVDD5b
PVDD1a
PVDD1b
PVDD3a
PVDD3b
PVDD4a
PVDD4b
PVDD2a
PVDD2b
PVDD6a
PVDD6b
BATT_IN_DET
VBBIN
BATT_UNREG
DVDD2
AVDD1
A10
PVDD9
DC/DC
CONVERTER
(1/22)
IC0002
D12
-INA
D13
+INA
L0003
D_1.2V_1
L0004
D_1.2V_2
D_1.8V
L0005
IS_2.5V/1.8V
3.15V
A4
B4
C5IN6
LX6b
LX6a
AS_5.0V
L0009
A11
SW_OUT
C9LDO1_ON
B13
C12
-INE8
OUT8
B10
VLDO3
L0002
BL_A
R0056
R0057
G1 PVDD7
F1
G2IN7
LX7
5.5V
L0008
D0004
A12
VLDO1
Q0011
Q0012
B+ SWITCH
D0010
Q0009
Q0010
B+ SWITCH
4
1VIN VOUT
3.0V REG
(1/22)
IC0006
6
ON/OFF
4
1
VIN
CONT
3VOUT
CAM_5.0V
DD_ON2
AS_7.0V
5STB
Q0013
Q0014
DISCHARGE
5.0V REG
(1/22)
IC0004
D3001
D3002
2
6
VIN
ON/OFF
3VOUT
4.5V REG
(16/22)
IC3002
5 VIN
EVER_4.5V
AS_5.0V
5.5V (IS_5.5V)
5.5V (CAM_5.5V)
EVER_4.5V
UNREG_OUT_LNS
F0504
UNREG
UNREG
F0501
D0007
DD_BYPASS
DD_BYPASS
D0006
BATT_UNREG
14 - 223 - 11
CN0501
BT901
BATTERY
TERMINAL
BOARD
+
S
-
BT-062 FLEXIBLE BOARD
BATT_IB_1 BATT_IB_1
DD_ON2
3.15V (D_3.15V)
3.15V (A_3.15V)
3.15V (D_3.15V)
3.15V (D_3.15V)
BL_ON
DD_ON
CAM_ON
LDO1_ON
BL_ON
CAM_ON
EVER_3.15V
EVER_3.15V
CAM_3/5V
BL_A
BL_K
D_1.2V_1
D_1.2V_2
D_1.8V
D_1.8V
IS_2.5V/1.8V
POWER (2/5)
(PAGE 4-5)
POWER (3/5)
(PAGE 4-6)
POWER (4/5)
(PAGE 4-7)
POWER (5/5)
(PAGE 4-8)
TH7201
12
2
BATT_TEMP BATT_TEMP
EVER_3.15V
LDO1_ON
DD_ON
3.15V (A_3.15V)
3.15V (D_3.15V)
D_1.8V
5.5V (CAM_5.5V)
D_1.8V_EVER
AM-022 BOARD (1/5)
BL_K
AS_5.0V
5.5V
CAM_3/5V
EVER_3.15V
D_1.2V_1
D_1.2V_2
D_1.8V
IS_2.5V/1.8V
3.15V
D_1.8V_EVER
AS_7.0V
EVER_4.5V
UNREG
BL_K
Q0005
1.8V DRIVE
EVER_3.15V
BYPASS
Q0001, Q0002
LCD BACKLIGHT DRIVE
Q0008
Q0003, Q0004
DC/DC
CONVERTER
(1/22)
IC0001
UNREG_OUT_FL
F0503
R0063
POWER (2/5)
(PAGE 4-5)
POWER (4/5)
(PAGE 4-7)
R0038
UNREG
UNREG
L0006
L0007
SLT-A33/A33L/A33Y
POWER (2/5)
(PAGE 4-5)
POWER (5/5)
(PAGE 4-8)
29
B
C
D
E
F
G
I
J

Related product manuals