EasyManua.ls Logo

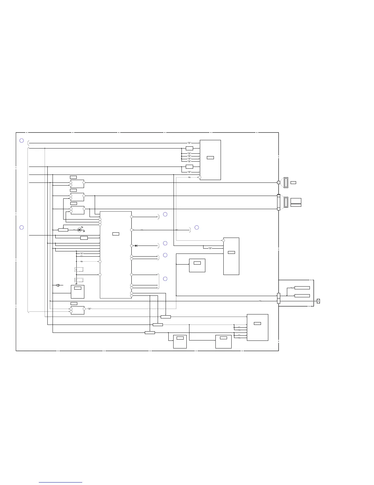
Sony SLT-A55 - POWER BLOCK DIAGRAM (4;5)

Sony SLT-A55
62 pages
Print Icon
To Next Page IconTo Next Page
To Next Page IconTo Next Page
To Previous Page IconTo Previous Page
To Previous Page IconTo Previous Page
Loading...
SLT-A33/A33L/A33Y/A55/A55V/A55L/A55VL/A55VY_L3
4-7
C27
BRK0B
IMAGE PROCESSOR
(3/22 - 6/22)
IC1001
AC13
ADC_IN10
OR_MEM_SEL0
AD13
ADC_IN11
OR_MEM_SEL1
R1015
R1012
SLT-A55/A55V/A55L
/A55VL/A55VY
SLT-A33/A33L/A33Y
C30
BRK1B
POWER (1/5)
(PAGE 4-4)
BL_ON
AL20
XRESET_SYS_IN
XRESET_OR
POWER (2/5)
(PAGE 4-5)
J20
GPIO_S__6
L18
GPIO_S__4
D_1.2V_2
AH31
EMC_XRST
POWER (3/5)
(PAGE 4-6)
XOR_EMC_RESET
AJ19
TPU1_INA
PANEL_PS
Y14
CLK_EXTIN_1
POWER (2/5)
(PAGE 4-5)
XLENS_RELEASE_SW
D1301
D_1.8V
DFE
(7/22)
IC1501
D7 XRESET
FL1502
3.15V (D_3.15V)
L1501
L1503
L1506
L1507
FL1501
L1502
D_1.2V_1
D_1.8V_SLVDS
CLOCK
SWITCH
(6/22)
IC1302
1 5VIN VOUT
3 EN
1 5VIN VOUT
3 EN
MS_PWR_ON
MSJ_TEST2
MS_3.15V
TE_3.15V
B+ SWITCH
(12/22)
IC2201
L1301
R1303
L1504
12
19
CN2202
Memory Stick
PRO Duo
SD
XMEDIA_ACC_LED_ON
T9VBUS_CHG
U9VBUS_DISCHG
IC_1801_CORE_ON
IC_1801_IO_ON
D_1.2V_AN
AUDIO/VIDEO
CODEC
(8/22)
IC1801
D_1.8V_AN
D_3.15V_AN
R1816
R1817
R1814
R1815
CLOCK
SWITCH
(8/22)
IC1802
MOBILE
DDR SDRAM
(9/22)
IC1901
AUDIO AMP
(13/22)
IC2301
PDN7
L2303
4 3VDD VOUT
1 CE
3.1V REG
(13/22)
IC2302
EXT MIC AMP
(13/22)
IC2303
A_3.15V_MIC
PRELMG_VDD PRELMG_VDD
A_3.15V_MIC
R3821
5.5V (CAM_5.5V)
PL901
(PLUNGER)
SHM-001 FLEXIBLE BOARD
CN3806
1
4VIN VOUT
5
CNT
+5V
18 HDMI
CN2001
Vdd
VCC
AM-022 BOARD (4/5)
D2204
(ACCESS)
R2229
B+ SWITCH
(12/22)
IC2202
16, 17 6, 7
R1515
5.0V REG
(10/22)
IC2002
L2302
B28
DIR1A
D29
DIR2A
G27
IC_1001_P_LIMIT
IS_PWR_ON6
IS_PWR_ON2
IS_PWR_ON1
POWER (5/5)
(PAGE 4-8)
POWER (5/5)
(PAGE 4-8)
POWER (1/5)
(PAGE 4-4)
B+ SWITCH
Q1804
B+ SWITCH
Q1802, Q1803
B+ SWITCH
Q1801, Q1805
INT MIC BUFFER
Q7501
INT MIC BUFFER
Q7502
LED DRIVE
Q2203
R1010
R1319
R7504
3.15V (D_3.15V_OR)
3.15V (D_3.15V)
D_1.8V (D_1.8V_OR)
D_1.8V
FL1301
D_1.2V_2 (D_1.2V_2_OR)
D_1.2V_2
D_1.8V_AN (D_1.8V_AN_DDR)
D_1.8V_AN
3.15V (A_3.15V)
X1301
12MHz
29
K
F
J
Q
T
S
O
4-7. POWER BLOCK DIAGRAM (4/5) ( ) : Number in parenthesis ( ) indicates the division number of schematic diagram where the component is located.

Related product manuals