EasyManua.ls Logo

Sony SS-MS7 - Page 10

Sony SS-MS7
14 pages
Print Icon
To Next Page IconTo Next Page
To Next Page IconTo Next Page
To Previous Page IconTo Previous Page
To Previous Page IconTo Previous Page
Loading...
10
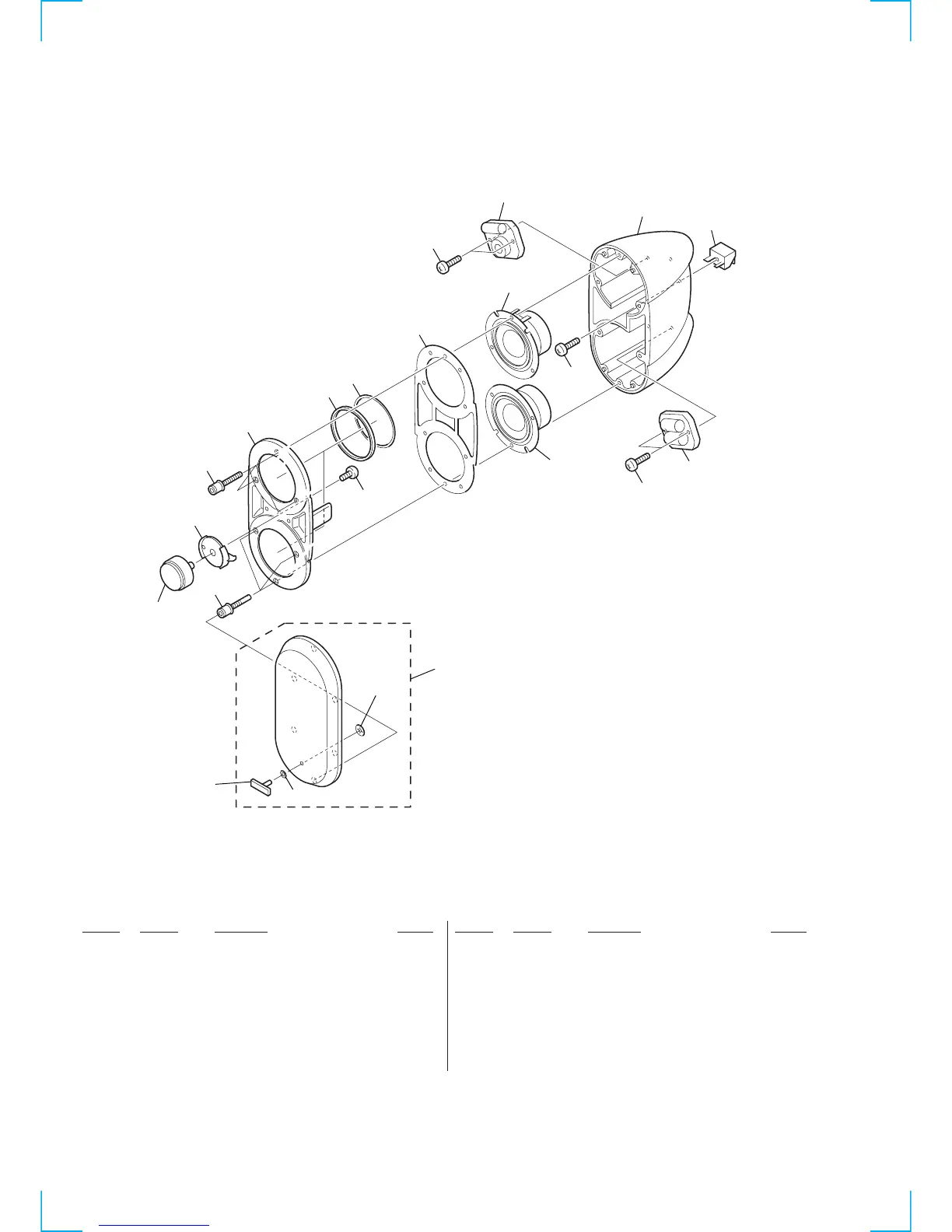
(3) SS-MS7
Ref. No. Part No. Description Remark
Ref. No. Part No. Description Remark
101 X-4951-883-1 FRAME ASSY, GRILLE
102 3-701-436-21 WASHER POLYEHTHYLENE
103 4-220-786-01 BASE, TW
104 4-220-784-01 SCREW, ORNAMENTAL
105 4-220-779-01 PANEL, FRONT
106 4-220-781-01 RING
107 4-222-663-01 PACKING
108 4-220-785-01 PACKING
109 1-761-265-11 MOUNTED PC BOARD (NETWORK)
110 4-986-971-11 SCREW (3.5)
111 4-220-780-01 CABINET
112 1-694-516-11 TERMINAL, SPEAKER
SP101 1-529-291-11 SPEAKER (2.5cm)
SP102 1-529-290-11 SPEAKER (5cm)
SP103 1-529-290-11 SPEAKER (5cm)
not supplied
#9
SP101
101
102
104
103
SP102
SP103
104
105
106
107
108
110
110
110
110
111
109
112
109

Related product manuals