EasyManua.ls Logo

Sony TRINITRON KV-A2121D - Page 29

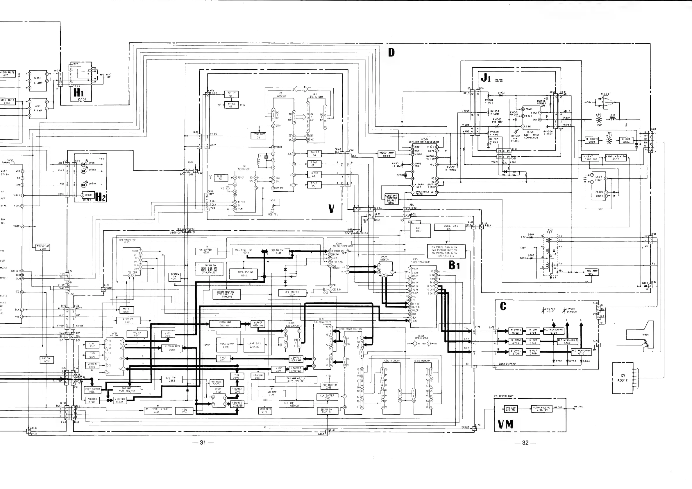
Sony TRINITRON KV-A2121D
70 pages
Print Icon
To Next Page IconTo Next Page
To Next Page IconTo Next Page
To Previous Page IconTo Previous Page
To Previous Page IconTo Previous Page
Loading...
|
———S———
reer
ee
ee
-
\UDIO.
MUTE
ics
Bi
“5
HP
ee
CNV
Po
}ST-BY
ST-
BY
1c2
1C3
QO
EURO
CCT
TATIC-
BA
UDIO.
MUTE
I
RVI504
=
avy
OU
Pe
sy
H
CENT
|
RVISO3
=
|
0-21
IC1501
eres
cout
|
ist
iv
SYNC
BUFF
EAST
-
WEST
\.
i
a
Ree
CORRECTION
Jes
PHASE
DEFLECTION
PROCESSOR
311
13
|viveo
T
Cs;
o4
CNV-2
D-22
JI-5t
BLK]
VIDEO
AMP
Tl
BLK
9598
1COO!
TUNING
CTL
P/ON
R
OUT
ott
ok
RV501
]
ic
Q7
+B
AD
HTH
Se
W
PHASE
MUTE
0-22
G
OUT
G
ST-
BY
03i{
fo3z
sv
Caeser
9
cso
°
-
(14)
RESET
8
CTT
X2
AFT
cnve
|
a
Bi
DAT
!
SYNC
fet
K
V
ope
ee
or
tr
SDA
TEXT
-32
SCL
+BLK
ABL
8-33
1802
-
ti
7
oo0r
Fer
TEXT
B
TEXT
G
FBT
5
0-81
Fy
ai
27v
wet
2
We
Hef
ol
O/n
CONVERTER
Pw
al
|
1€302
1C304
wt
REO
PEDCESSOR
ON
SCREEN
DISPLAY
Sw
135v
a
|
YIC
+
FAS
PICTURE
MUTE
SW
ON
SCREEN
DISPLAY
SW
302,303,304
1303
,
‘HOELAY
1€301
!
i
200v
F/R
VIDEO
PROCESSOR
FV
SECAM
SW
4
MOOE
|
NTSC(
3.58)
SW
1
NTSC(
4.43)
SW
ABL
AMP
0335,336,337
NTSC
3.58
SW
a
System
0348
MODE
2
Q373
Loy
G2
SECAM
TRAP
SW
-
_-
-
NTSC
TRAP
SW
RESET
0341,342
MxM
C-81
“1
AC
0-32
B-32
°
MUTE]
MUTE
RRR
Benn
:
ue
|
td
[Hu
.
1311
a
i
7
[4
a5
BUFFER
Ic3I5
D/A
CONVERTER
354,353
A/O
CONVERTER
8-72
=
ska
ro
g
feat
R
Brg
R
Pea
[aco
ee
Hew
Paros
|
Peron
oo
outa
BRE
REGULATOR
oun
|
Rag
Devel
G
peg
ACO
pee
Tn
VIDEO
CLAMP CLAMP
BAS
Vv
Cm
our)
5v
RES
mn
P|
oe
0358
357,359
a,
rar
|
‘5
Ea
ORIVE
8
Se
een
MEASURING
ea
Ea
ee
C
BUFFER
{
(
iC312_
MEMORY
1C313_
MEMORY
0702
0704
AC
cy
OY
i]
,
Y/C
SW
ASS'Y
'
CLK
BUFFER
I
KV-A2921D
ONLY
>
@
°
-
D-32!
Y
BUFFER
CLK
AMP
BLK
ty
©
®
338,339
0350,
361
@
VM
COIL
R
ANT!
PRIORITY
SCART
Y
Sw
VM
BUFFER
SECAM
SW
®
6
eI
9305
0334
9371
310,311
Pra
a
0-33
‘3
V.
BLK
vM
OUT
uel
0-3!
~~.
BLK
34
32

Related product manuals