EasyManua.ls Logo

Sony VGN-U71P - Chapter 2. Block Diagram; VGN-U Series

Sony VGN-U71P
22 pages
Print Icon
To Next Page IconTo Next Page
To Next Page IconTo Next Page
To Previous Page IconTo Previous Page
To Previous Page IconTo Previous Page
Loading...
2-1
VGN-U71P/U750P/U8G/U8C (J/AM/AO)
Confidential
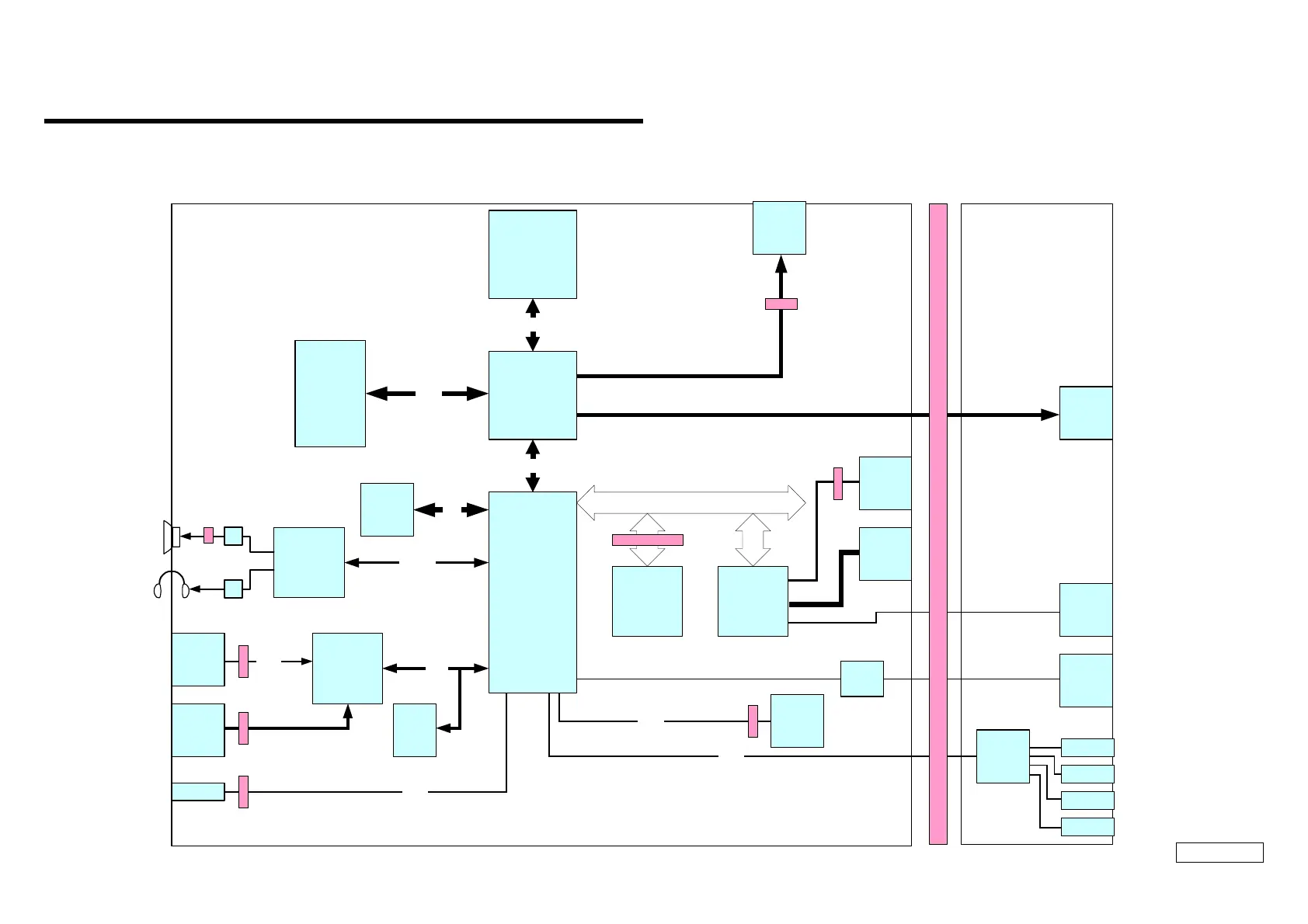
CHAPTER 2.
BLOCK DIAGRAM
Dothan
ULV
MontaraGM
ICH4
Memory
PCI7420W-LAN
MS
CF
i.LINK
USB
Ether
USB
USB
Audio
Codec
Touch
Panel
H8
FWH
VGA
LCD
HDD
FSB
Hub Link
DDR
Track
Point
PS/2
USB4
USB0
USB2
PCI
AC Link
IDE
LPC
Switch
&
Button
PHY
USB
USB
USB
Hub
VGN-U series
VGP-PRU1
Port Replicator
2-1. VGN-U series

Related product manuals