EasyManua.ls Logo

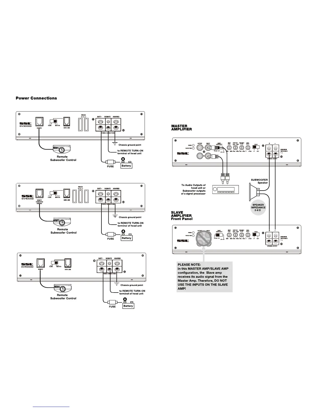
Sound Storm EV3000D - Power Connections EV3000 D; Bridging Two EV3000 D, EV4000 D or EV5000 D Amplifiers

Sound Storm EV3000D
7 pages
Print Icon
To Next Page IconTo Next Page
To Next Page IconTo Next Page
To Previous Page IconTo Previous Page
To Previous Page IconTo Previous Page
Loading...
EV3000D
EV4000D
EV5000D
Bridging Two EV3000D, or Amplifiers
EV4000D EV5000D
FRONT PANEL CONNECTIONS