EasyManua.ls Logo

Soundweb BLU-100 - Page 12

Soundweb BLU-100
16 pages
Print Icon
To Next Page IconTo Next Page
To Next Page IconTo Next Page
To Previous Page IconTo Previous Page
To Previous Page IconTo Previous Page
Loading...
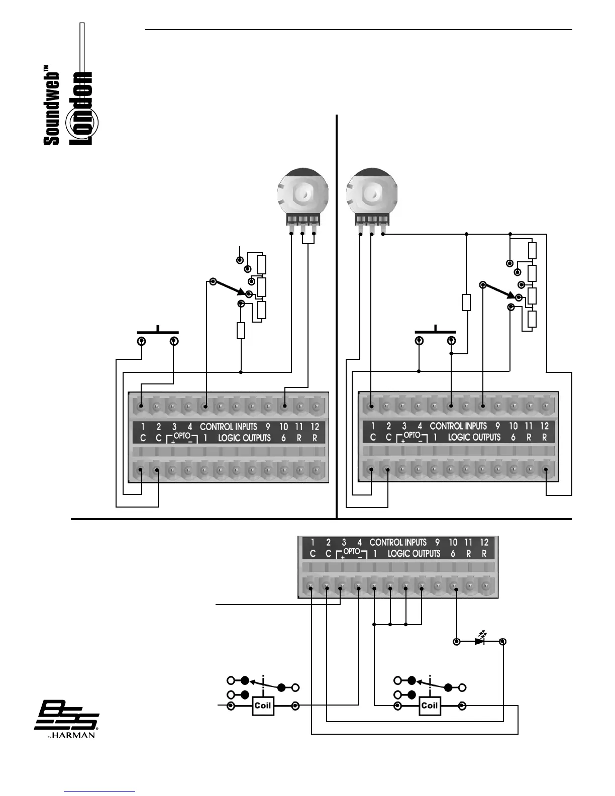
6
OPTO Output
In addition to the six standard LOGIC OUTPUTS, there is an isolated output, which fails
safe (open circuit) if the unit becomes faulty.
switch
2 wire mode
relay
LED
relay
3600R 1800R 1200R
unconnected
ladder
+supply
voltage
47kOhm
log
potentiometer
10K-100kOhm
linear
potentiometer
switch
1k 1k 1k
ladder
1k
ground
4k7
3 wire mode
470R