EasyManua.ls Logo

Space Pak ESP-G SYSTEM - Page 13

Space Pak ESP-G SYSTEM
28 pages
Print Icon
To Next Page IconTo Next Page
To Next Page IconTo Next Page
To Previous Page IconTo Previous Page
To Previous Page IconTo Previous Page
Loading...
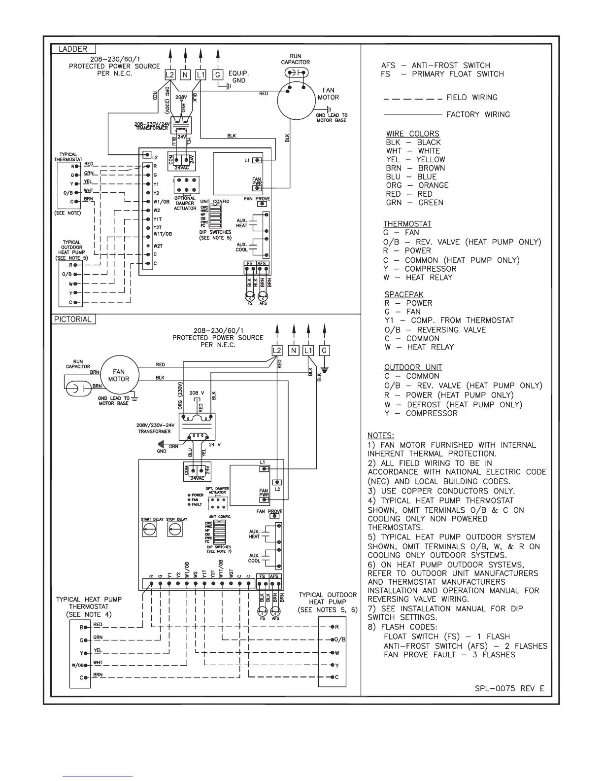
FIGURE 2.13: WIRING DIAGRAM
13

Related product manuals