EasyManua.ls Logo

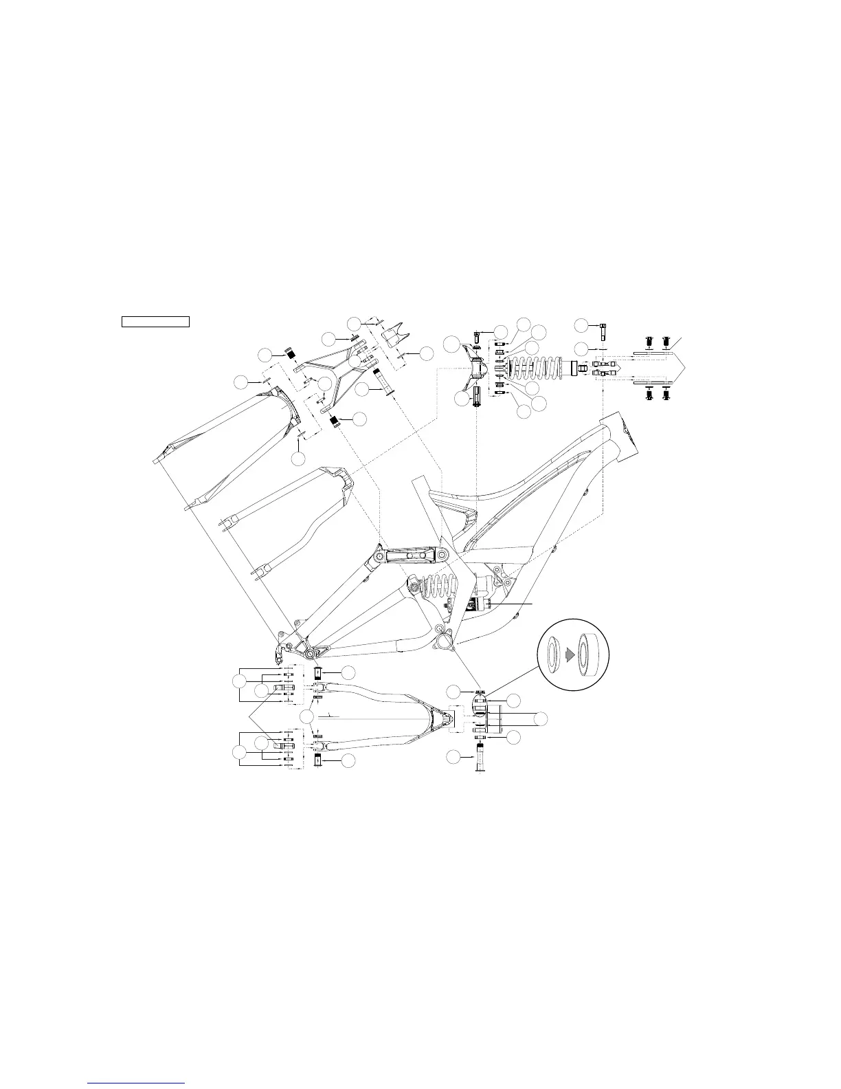
Specialized Demo 8 - Frame Schematic Diagram

Specialized Demo 8
22 pages
Print Icon
To Next Page IconTo Next Page
To Next Page IconTo Next Page
To Previous Page IconTo Previous Page
To Previous Page IconTo Previous Page
Loading...
16
Shock
S-Link
S-Link
Shock
Shuttle
Shock Shuttle
Bolts M10 x 16mm
115-135 in-lbf
Shock Shuttle
Washers
16.5x10x0.5mm
Shuttle
Mount
Shock
Mount
S-Link
Mount
Sub-Seatstay
(top view)
Seatstay
(top view)
Sub-Seatstay
Chainstay
Chainstay
(bottom view)
6mm Offset
Chainline
Dropouts
BB Shell
Seatstay
All alloy spacers:
Small diameter of
spacer facing bearing
Shock reservoir:
Always facing down
2.f
1.c
1.d
1.b
1.k
2.g
2.e
2.h
2.m
1.h
1.h
2.g
2.k
2.n
2.o
1.e
1.m
1.n
1.e
1.m
1.n
1.d
1.k
1.a
1.a
1.c
1.c
1.a
1.b
1.g
1.b
1.g
1.f
Schematic #19

Related product manuals