EasyManua.ls Logo

Ssl Evolution EV3000D - Bridging Two EV3000 D or EV4000 D Amplifiers

Ssl Evolution EV3000D
16 pages
Print Icon
To Next Page IconTo Next Page
To Next Page IconTo Next Page
To Previous Page IconTo Previous Page
To Previous Page IconTo Previous Page
Loading...
Troubleshooting
EV3000D/EV4000D/EV5000D Amplifier Users Manual - page 12
Specifications
EV3000D/EV4000D/EV5000D Amplifier Users Manual - page 13
EV3000D/EV4000D/EV5000D Amplifier Users Manual - page 6
CONTENTS
U S E R S M A N U A L
EV3000D/EV4000D/EV5000D Amplifier Users Manual - page 4
EV3000D/EV4000D/EV5000D Amplifier Users Manual - page 3
EV3000D/EV4000D/EV5000D Amplifier Users Manual - page 8
EV3000D/EV4000D/EV5000D Amplifier Users Manual - page 5
EV3000D/EV4000D/EV5000D Amplifier Users Manual - page 7
EV3000D/EV4000D/EV5000D Amplifier Users Manual - page 10
EV3000D/EV4000D/EV5000D Amplifier Users Manual - page 2
Introduction
Important installation
considerations for using
this amplifier.
Notes
EV3000D/EV4000D/EV5000D Amplifier Users Manual - page 7
EV3000D/EV4000D/EV5000D Amplifier Users Manual - page 11
Notes Notes
If you experience operation or performance problems with this product, compare your
installation with the electrical wiring diagram on the previous pages. If problems persist,
read the following troubleshooting tips which may help eliminate the problems.
Low-level (RCA) input wiring is preferred for best audio performance. Always use
a high-quality RCA cable for best audio performance.
Protection LED
comes on when
amplifier is
powered up.
Check for short circuits on speaker leads.
Turn down the volume control on the head unit to prevent overdriving.
Remove speaker leads, and reset the amplifier. If the Protection LED still
comes on, then the amplifier is faulty and needs servicing.
High hiss in the
speakers.
Disconnect all RCA inputs to the amplifiers. If the hiss disappears, then
plug in the component driving the amplifier and unplug its inputs. If the
hiss disappears at this point, go on until the faulty/noisy component is
found.
It is best to set the amplifier's input level control as low as possible. The
best subjective signal-to-noise ratio is achieved in this manner. Try to set
the head unit as high as possible (without distortion) and the amp input
level as low as possible.
Squealing noise
from speakers.
Check for improperly grounded RCA interconnects.
Distorted sound.
Check that the Input Level Control is set to match the signal level of the
head unit. Always try to set the Input Level as low as possible.
Check that all crossover frequencies are properly set.
Check for short circuits on the speaker leads.
Amplifier gets
very hot.
Check that the minimum speaker impedance for the amp model is correct.
Check that there is good air circulation around the amp. In some
applications, it may be necessary to add and external cooling fan.
Engine noise
(static type)
This is usually caused by poor quality RCA cables,which can pick up
radiated noise. Use only the best quality cables, and route them away
from power cables.
Engine noise
(alternator
whine)
Check that speaker leads are not shorted to the vehicle chassis.
Check that the RCA grounds are not shorted to the vehicle chassis.
Check that the head unit is properly grounded.
The fuse ratings for these amps is:
EV3000D: 60A (30A x 2)
EV4000D: 120A (40A x 3)
EV5000D: 175A (ANL type)
Although sufficient for normal working
conditions, overloading the amp may
result in blown fuses. Please try to
avoid overloading the amp in this
manner.
Your EVOLUTION Class D am-
plifier is designed to run with
a minimum load of 1 Ohm.
Operating the EV3000D ,
EV4000D or EV5000D with a
speaker impedance load be-
low 1 Ohm may result in poor
sound quality and damage to
the amplifier circuitry. Such
damage is not covered under
the warranty for this product.
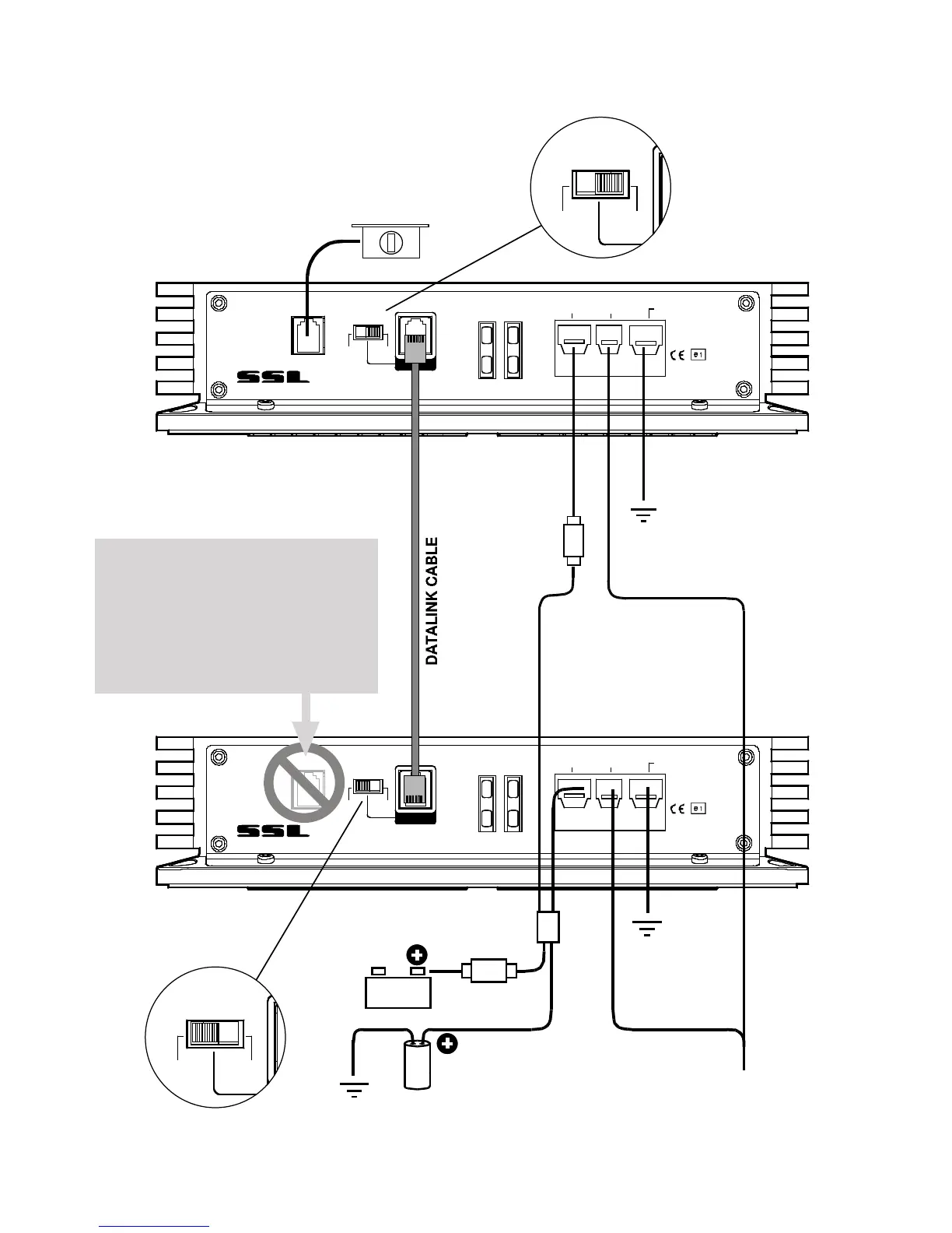
Bridging Two EV3000D, EV4000D or EV5000D Amplifiers
MASTER
AMPLIFIER
Front panel
SLAVE
AMPLIFIER
Front Panel
Power Connections
EV3000D and EV4000D
Without Stiffening Capacitor
With Stiffening
Capacitor
Bridging Two EV3000D or EV4000D Amplifiers
SLAVE
AMPLIFIER
Rear Panel
FRONT PANEL CONNECTIONS REAR PANEL CONNECTIONS
If there is smoke or any peculiar odor
present during use or if there is damage
to any of the component enclosures,
immediately unplug the power cord
and send the amplifier to your local
dealer or service center as soon as
possible .
3. Mark the location for the mounting
hole screws by positioning the amplifier
where you wish to install it. Use a scribe
or mounting screw, inserted through
each of the amp's mounting holes, to
mark the mounting surface. If the
mounting surface is carpeted, measure
the hole centers and mark with a felt
tip pen.
4. Drill pilot holes in the mounting
surface for the mounting screws. Place
the amplifier in position, and attach
the amplifier to the mounting surface
securely using screws.
4. Check that the fuse holder is empty.
Then connect the fuse holder to the
"BATT+" connection on the amplifier.
5. If multiple amplifiers are being used
in your system, either:
Run a separate pair of cables from
the battery and a chassis ground point
to each amplifier. Each (+) cable must
have its own inline fuse.
-or-
Run a #0 cable from the fuse holder
at the battery to a distribution block
at or near the amplifier's location. Then
run separate cables from the amplifier
to this distribution block and to
independent chassis ground points.
6. Connect all line inputs and outputs
(if used) using high-quality cables.
Connect all speakers, following the
diagrams in this manual. Be sure to
observe proper polarity to avoid audio
phase problems.
7. Insert fuse(s) into the battery fuse
holder(s).
8. Recheck all connections before
powering up the amplifier.
9. Set all level controls to minimum
position, and set all crossover
controls/switches to the desired
frequency points.
10. Power up the head unit and the
amplifier. Then set the volume control
on the head unit to about 3/4 volume,
and adjust the amplifiers input level
control(s) to just below the level of
distortion.
11. Further fine tuning of the various
controls may be necessary to obtain
best results.
Speaker Connections
MASTER
AMPLIFIER
Rear panel
SUBWOOFER
Speaker
Power Connections
EV5000D
Without Stiffening Capacitor
With Stiffening
Capacitor
Bridging Two EV5000D Amplifiers
SLAVE
AMPLIFIER
Rear Panel
REAR PANEL CONNECTIONS
MASTER
AMPLIFIER
Rear panel
to REMOTE TURN-ON
terminal of head unit
2 Introduction
2 Features
3 What is included?
3 General precautions
3 Installation precautions
3 Mounting the amplifier
4 Connecting the amplifier
5 Important system considerations
5 Tips for a safe system
6 Low level input wiring
6 Speaker wiring
7 Power connections
Normal and with Stiffening Capacitor
8 Bridging two EVOLUTION
CLASS D Amplifiers
12 Troubleshooting
13 Specifications
Congratulations on your
purchase of a Sound Storm
Laboratories EVOLUTION
Class D Amplifier.
It has been designed, engineered
and manufactured to bring you the
highest level of performance and
quality, and will afford you years of
listening pleasure.
Thank you for making
Sound Storm Laboratories your
choice for car audio entertainment!
1600W x 1
3000W x 1
4000W x 1
1 Ohm Mono
10k Ohm
Selectable 100mV-2V or 2V-8V
50Hz-150Hz
100dB
50Hz-150Hz
15Hz-40Hz
Variable 0 -+18dB
Selectable 0/18
40A x 3
15" (381mm)
All specifications subject to
change without notice.
RMS POWER
into 4 Ohms
MAX POWER
into 2 Ohms
MAX POWER
into 1 Ohm
Min. speaker
impedance
Input
impedance
Input
sensitivity
Frequency response
Signal-to-noise ratio
Crossover/filter range
low pass
subsonic
Bass Boost
Phase Shift
Fuse rating
Dimensions:
10" x 2
-3/8
" x ...
(254mm x 59mm x...)
1800W x 1
3500W x 1
5000W x 1
1 Ohm Mono
10k Ohm
Selectable 100mV-2V or 2V-8V
40Hz-150Hz
>105dB
50Hz-150Hz
15Hz-40Hz
Variable 0 -+18dB
Selectable 0/18
175A
19.5" (457mm)
MODEL
page
EV5000D
EV4000D
EV3000D
CLASS D MonoBlock
Car Audio Amplifiers
CLASS D MonoBlock Car Audio Amplifiers
EV4000D
1200W x 1
2200W x 1
3000W x 1
1 Ohm Mono
10k Ohm
Selectable 100mV-2V or 2V-8V
50Hz-150Hz
100dB
50Hz-150Hz
15Hz-40Hz
Variable 0 -+18dB
Selectable 0/18
30A x 2
13" (330mm)
EV3000D
SYMPTOM POSSIBLE REMEDY
EV3000D/EV4000D/EV5000D Amplifier Users Manual - page 1
FUSES
POWER
CONNECTIONS
GROUNDREMOTEBATT +
SLAVE MASTER
AMPLIFIER
MODE
DATALINK
E V O L U T I O N
REMOTE SUBWOOFER
LEVEL CONTROL
FUSES
POWER
CONNECTIONS
GROUNDREMOTEBATT +
SLAVE MASTER
AMPLIFIER
MODE
DATALINK
E V O L U T I O N
REMOTE SUBWOOFER
LEVEL CONTROL
AMP MODE
SWITCH IN SLAVE
POSITION
AMP MODE
SWITCH IN MASTER
POSITION
AMP MODE
SWITCH IN SLAVE
POSITION
AMP MODE
SWITCH IN MASTER
POSITION
Distribution
Block
Chassis
ground
point
Stiffening
Capacitor
To Audio Outputs of head
unit or Subwoofer outputs
of a signal processor
To Audio Inputs of
satellite amplifier
(if present)
To Audio Outputs of head
unit or Subwoofer outputs
of a signal processor
175A
ANL FUSE
(PROVIDED)
175A
ANL FUSE
(PROVIDED)
to REMOTE TURN-ON
terminal of head unit
Chassis
ground
point
Battery
FUSE
Distribution
Block
Chassis
ground
point
Stiffening
Capacitor
Chassis
ground
point
Remote Subwoofer
Level Control
SLAVE
REMOTE SUBWOOFER
LEVEL CONTROL
Chassis
ground
point
PLEASE NOTE:
In this MASTER AMP/SLAVE AMP
configuration, the Slave amp
receives its audio signal from the
Master Amp. Therefore, DO NOT
USE THE SUBWOOFER LEVEL
CONTROL ON THE SLAVE AMP!
FUSES
SLAVE MASTER
AMPLIFIER
MODE
DATALINK
E V O L U T I O N
REMOTE SUBWOOFER
LEVEL CONTROL
FUSES
POWER
CONNECTIONS
GROUNDREMOTEBATT +
SLAVE MASTER
AMPLIFIER
MODE
DATALINK
E V O L U T I O N
Chassis
ground
point
Chassis
ground
point

Related product manuals