EasyManua.ls Logo

STA-RITE SR200NA - Page 65

STA-RITE SR200NA
91 pages
Print Icon
To Next Page IconTo Next Page
To Next Page IconTo Next Page
To Previous Page IconTo Previous Page
To Previous Page IconTo Previous Page
Loading...
SECTION FOUR – Routine Maintenance and Professional Servicing
4-33
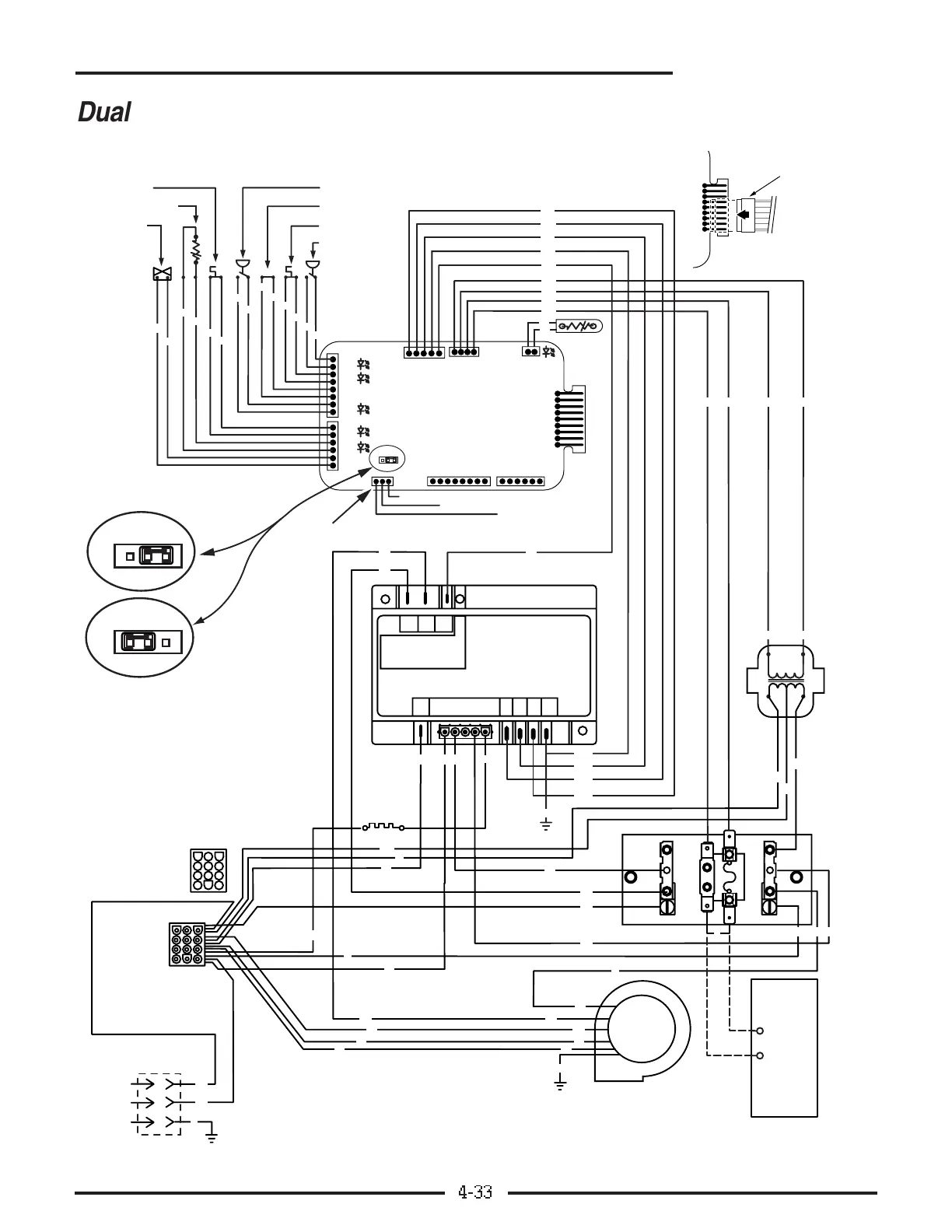
Dual Voltage Pool Heater Wiring Connection Diagram (120-240-VAC)
12 pin Plug
Black — 120V
Red — 240V
JMP3
9
1
J6
JMP3
1
JMP3
1
External Control Interface Circuit Disabled,
Heater Membrane Pad Enabled
External Control Interface Circuit
Enabled, "Pool On" and "Spa On"
Keys Disabled. "OFF" Key on
Membrane Pad Remains Functional.
CONNECTION DIAGRAM
AGS Switch
Stack Flue Sensor
Gas Valve
Air Flow Switch
Extra Switch 1
Hi-Limit Switch
Pressure Switch
VAL
TH
IND
GND
24VAC
24VAC
FS
THERMISTOR
OPERATING CONTROL
1
PS
HLS
ES1
AFS
AGS
SFS
GAS
CONTROL CENTER
SPA CONTROL
VERSION 1 PAD
MEMBRANE PAD
CONNECTION
Spa Line
Common Line
Pool Line
IGNITION CONTROL
MODULE
DIAGNOSTIC INDICATOR
F1 F2
24
VAC
S1
240
S1/
120
L1
L1
L1
L2
L2
BM
FL
F1
L2
S2
TH IND
VAL GND
GND
GND
BLOWER
120/240 Volt
Line 2
120VAC
IGNITER
TRANS
Line 1
Ground
JUNCTION BOX
F
I
R
E
M
A
N
S
S
W
I
T
C
H
Replace jumper with
leads to 24V Fireman's
Switch (field installed)
24VAC
SEC
Y/W
Y/W
Y/R
Y/O
Y/BL
O
W
BK
BK
O
GY
GY
BK
BK
R
Y
W
BK
BL
Y
W
BK
BL
GY
GY
GY
GY
BK
BK
W
RRW
G
Y
R
R
Y
YY
BK
BK
Y/W
W
W
R
R
BL
BL
O
O
O
O
PR
PR
Y/R
Y/BL
Y/O
Y/W
Y
Y
Y
Y
Y
YY Y Y
BR
BR
External Control Interface
Y
If cable from
Membrane Pad is
a 6-Conductor
Cable, connect it
to pins 4 - 9 on
Operating Control
Board as shown.
9
1
J6
NOTICE: Touching any 24VAC wire, including
the Fireman’s Switch wire, to any 120/240V
terminal while the heater is connected to line
power will immediately destroy the control
board and void the warranty.
BK
R
GND
G
12 Position
Receptacle
1
9
3
12
3
2
1

Related product manuals