EasyManua.ls Logo

STA-RITE SR200NA - Page 69

STA-RITE SR200NA
91 pages
Print Icon
To Next Page IconTo Next Page
To Next Page IconTo Next Page
To Previous Page IconTo Previous Page
To Previous Page IconTo Previous Page
Loading...
SECTION FOUR – Routine Maintenance and Professional Servicing
4-37
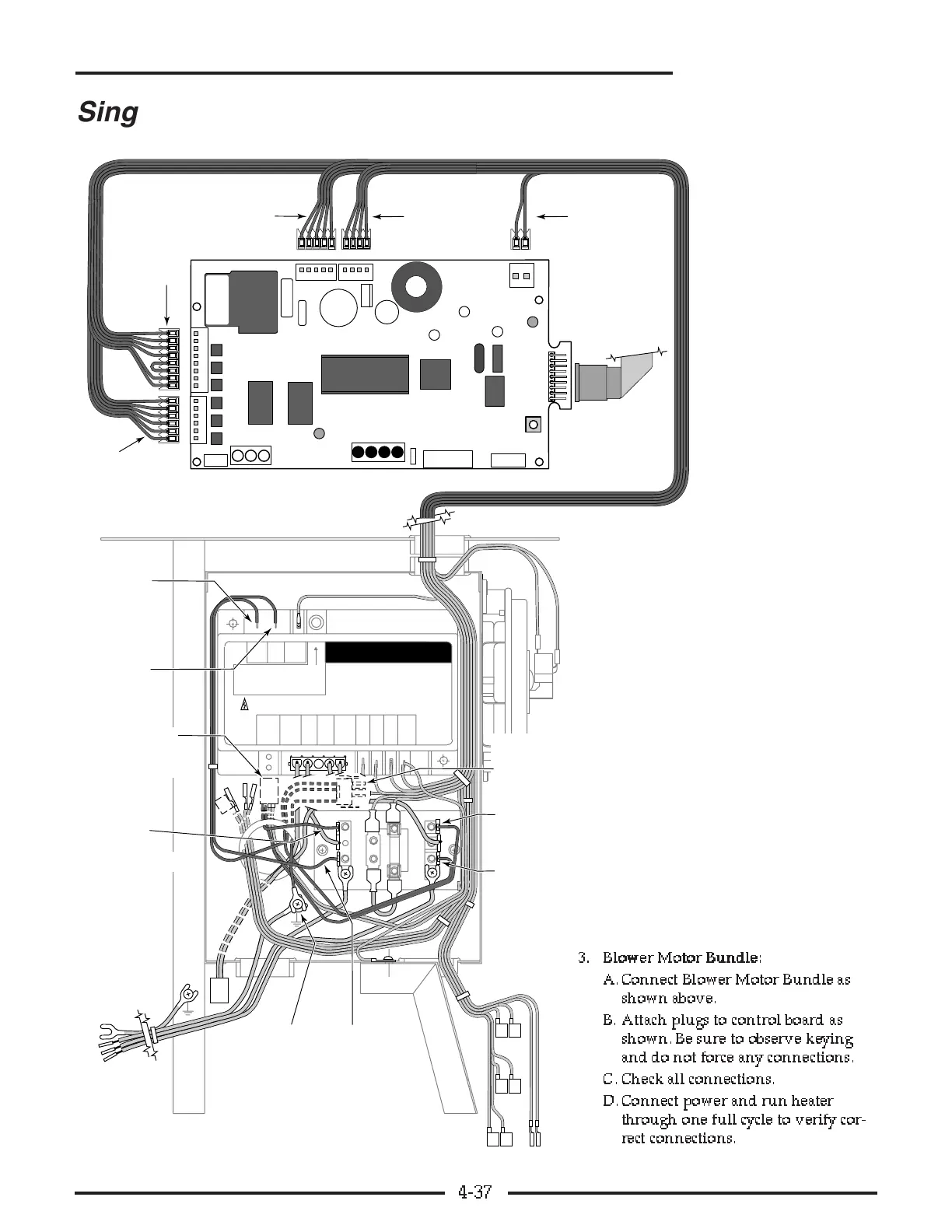
Single Voltage Wiring Harness Connection Instructions
S1/
120
L1 L2 S2
24
VAC
I
N
D
F
1
F
2
T
H
V
A
L
G
N
D
FENWAL
FC1
FC2
DIAGNOSTIC INDICATOR
LED MODE
ON CONTROL FAULT
CAUTION: HI VOLTAGE - DISCONNECT WIRING BEFORE SERVICING
Step 3
Fenwal–1
Black (F2)
Fenwal–1
Black (F1)
Transformer–2
Black (TRANS)
White (TRANS)
Terminal
Board–1
Black (F1)
Terminal
Board–1
Black (TRANS)
Ground–1
Green (GND)
Terminal
Board–1
White (TRANS)
Terminal
Board–1
White (BM)
F
I
R
E
M
A
N
S
S
W
I
T
C
H
HOT
3665 0200
J1 – 5
J3 – 6
J5 – 2
J7 – 4
J2 – 8
(2 Jumpered)
From
Membrane
Pad
Blower–3
White (BM)
Black(BM)
Green(BM)
S1
SET
MAX
J6
J7
J2
J1
J3
J5
J9
Control Board
33
33
..
..
BB
BB
ll
ll
oo
oo
ww
ww
ee
ee
rr
rr
MM
MM
oo
oo
tt
tt
oo
oo
rr
rr
BB
BB
uu
uu
nn
nn
dd
dd
ll
ll
ee
ee
::
::
A. Connect Blower Motor Bundle as
shown above.
B. Attach plugs to control board as
shown. Be sure to observe keying
and do not force any connections.
C. Check all connections.
D. Connect power and run heater
through one full cycle to verify cor-
rect connections.

Related product manuals