EasyManua.ls Logo

stabo xm 3003 - Page 11

stabo xm 3003
Print Icon
To Next Page IconTo Next Page
To Next Page IconTo Next Page
To Previous Page IconTo Previous Page
To Previous Page IconTo Previous Page
Loading...
11
Leistungsanzeige
Wenn Sie die PTT -Taste am Mikrofon drücken,wird in der Balken-
anzeige anstelle des S-Wertes die relative Ausgangsleistung des
Senders angezeigt. Bei AM werden je nach Modulation mehr oder
weniger LED`s leuchten.
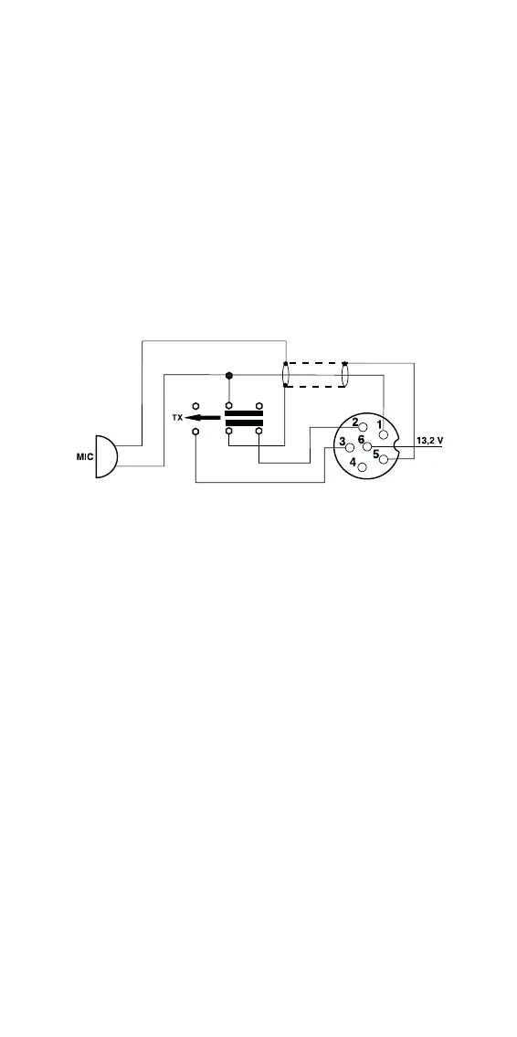
Belegung der Mikrofonbuchse (sechspolig)
1 Modulation
2RX
3TX
4 -
5 Masse
6 Stromversorgung

Related product manuals