EasyManua.ls Logo

stabo xm 3003 - Page 27

stabo xm 3003
Print Icon
To Next Page IconTo Next Page
To Next Page IconTo Next Page
To Previous Page IconTo Previous Page
To Previous Page IconTo Previous Page
Loading...
27
Power display
When pressing the push-to-talk button on your microphone, the
bar display shows the relative transmitting power instead of the
S-value. In AM mode, the number of LEDs which are lighted up
vary depending on the type of modulation.
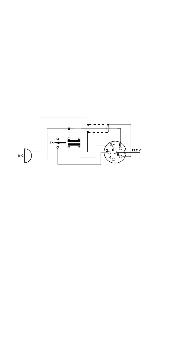
6-pin microphone plug
1 Modulation
2RX
3TX
4 -
5 Ground
6 Power Supply

Related product manuals