EasyManua.ls Logo

Starline M66 - Page 33

Starline M66
40 pages
Print Icon
To Next Page IconTo Next Page
To Next Page IconTo Next Page
To Previous Page IconTo Previous Page
To Previous Page IconTo Previous Page
Loading...
33
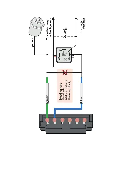
Example of normally closed blocking connection
Green wire – connection to vehicle ignition circuit.
Brown wire and brown-white wire – connection
to vehicle CAN bus interface wires.

Other manuals for Starline M66