EasyManua.ls Logo

Stealth PINNACLE - Page 13

Stealth PINNACLE
105 pages
Print Icon
To Next Page IconTo Next Page
To Next Page IconTo Next Page
To Previous Page IconTo Previous Page
To Previous Page IconTo Previous Page
Loading...
14
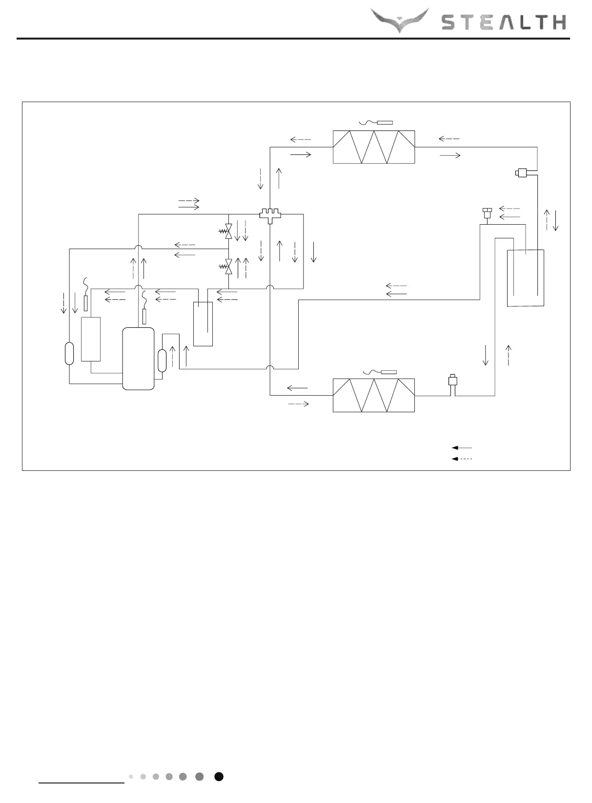
Technical Information
Service Manual
Connection pipe specification
Liquid pipe:1/4 inch
Gas pipe:5/8 inch
Electronic
expansion
valve A
Electronic
expansion
valve B
Unloading valve
Flash vaporizer
Outdoor evaporator
4-way valve
Solenoid valve
(high pressure)
Solenoid valve
(low pressure)
Indoor evaporator
Air injection
Compressor
Gas-liquid
separator
Gas-liquid
separator
COOLING
HEATING
SC-36ZPL-HP230/SC-36WPL-HP230

Related product manuals