EasyManua.ls Logo

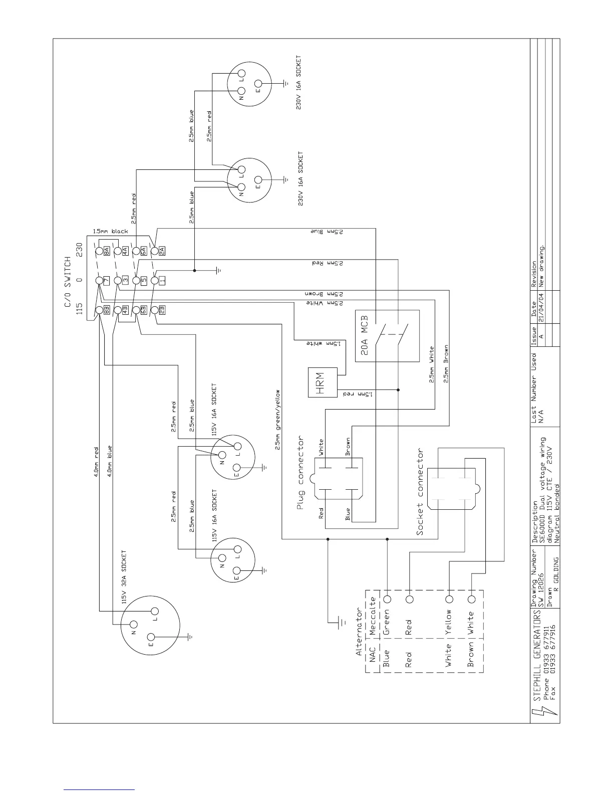
Stephill SE6000D - SE6000 D Dual Voltage Wiring Diagram

Stephill SE6000D
14 pages
Print Icon
To Next Page IconTo Next Page
To Next Page IconTo Next Page
To Previous Page IconTo Previous Page
To Previous Page IconTo Previous Page
Loading...
8

Related product manuals