EasyManua.ls Logo

stex S25U - Page 18

stex S25U
33 pages
Print Icon
To Next Page IconTo Next Page
To Next Page IconTo Next Page
To Previous Page IconTo Previous Page
To Previous Page IconTo Previous Page
Loading...
< 18 >
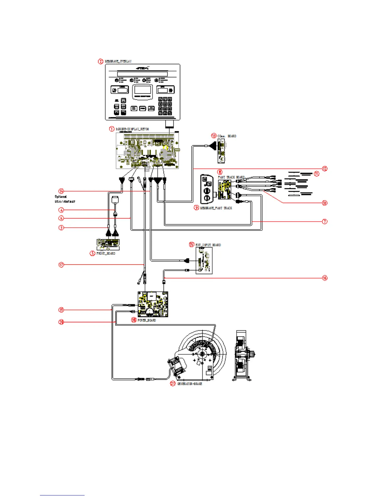
3-15 Circuit Diagram S25U

Related product manuals