EasyManua.ls Logo

STOVES 720G - Page 36

STOVES 720G
43 pages
Print Icon
To Next Page IconTo Next Page
To Next Page IconTo Next Page
To Previous Page IconTo Previous Page
To Previous Page IconTo Previous Page
Loading...
35
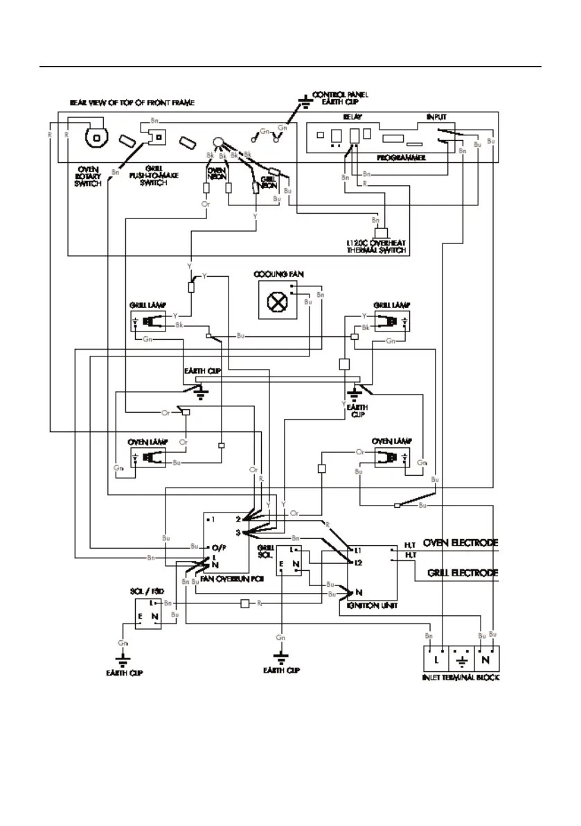
Wiring colour code: Bn = Brown, Bk = Black, Bu = Blue, Gn = Green, Y = Yellow,
W = White, Or = Orange, R = Red.
SERVICING INSTRUCTIONS

Related product manuals