EasyManua.ls Logo

Stow MS-93 - Page 48

Default Icon
94 pages
Print Icon
To Next Page IconTo Next Page
To Next Page IconTo Next Page
To Previous Page IconTo Previous Page
To Previous Page IconTo Previous Page
Loading...
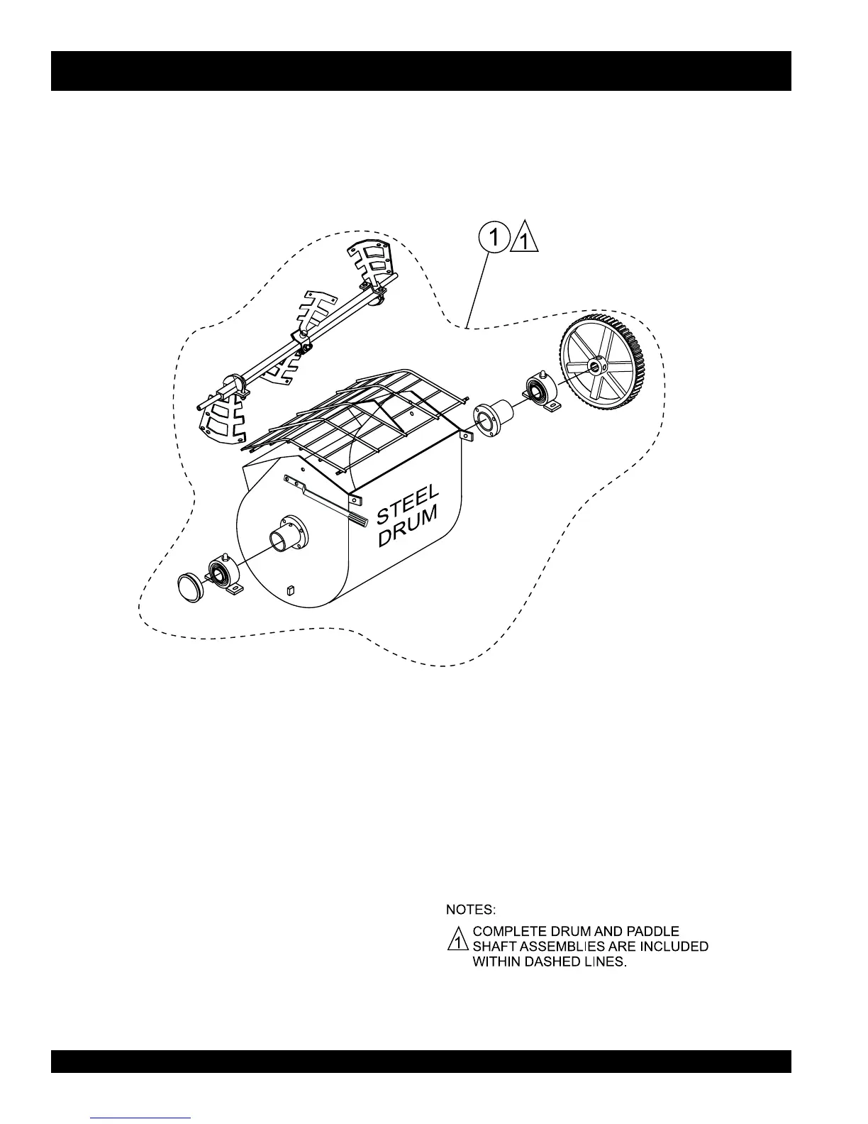
PAGE 48 — STOW MS-93 MIXER — OPERATION MANUAL — REV. #5 (03/26/10)
STOW MS93 MIXER — DRUM & PADDLE SHAFT COMPLETE ASSY.
DRUM AND PADDLE SHAFT COMPLETE ASSY.