EasyManua.ls Logo

Strobel 4 - Page 37

Strobel 4
40 pages
Print Icon
To Next Page IconTo Next Page
To Next Page IconTo Next Page
To Previous Page IconTo Previous Page
To Previous Page IconTo Previous Page
Loading...
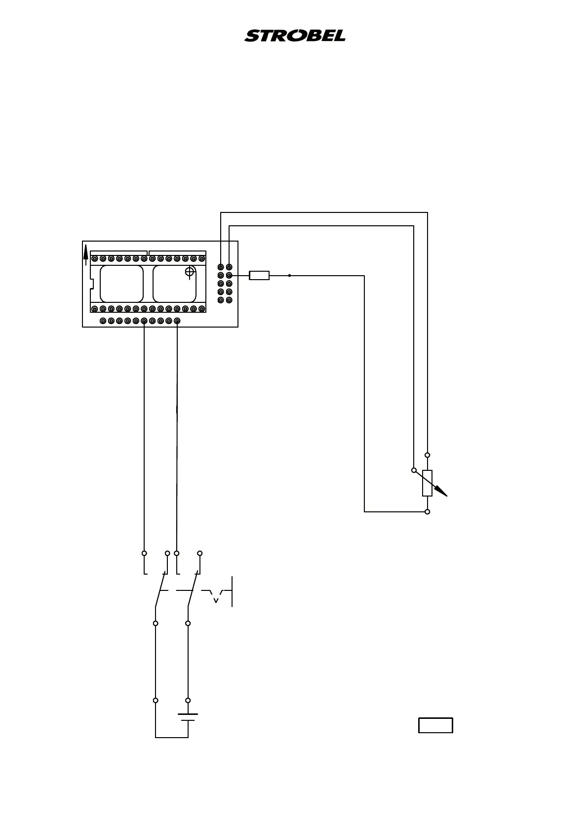
258.21.24
Elektrischer Anschlussplan Kl. 170, 560, ZM
Digitalanzeige
Electric connection diagram cl. 170, 560, ZM
Digital display
1346
+
9V
Batterie
battery
Kippschalter
flip switch
Drehpotentiometer
rotary potentiometer
Steck-Adapter EA 9044
socket adapter EA 9044
Widerstand
resistor
a
2
b
R1
5k lin.
B
9 10
1
10
1A
VSS
VDD
- +
R2
137k
ws / wh
ws / wh
gn / gn
br / bn
r
t
/
r
d
r
t
/
r
d
s
w
/
b
k
198.0466

Related product manuals