EasyManua.ls Logo

STUDER REVOX C274 - Page 104

Default Icon
Print Icon
To Next Page IconTo Next Page
To Next Page IconTo Next Page
To Previous Page IconTo Previous Page
To Previous Page IconTo Previous Page
Loading...
3g
5
STIJDtrR RÄ/OX
c274
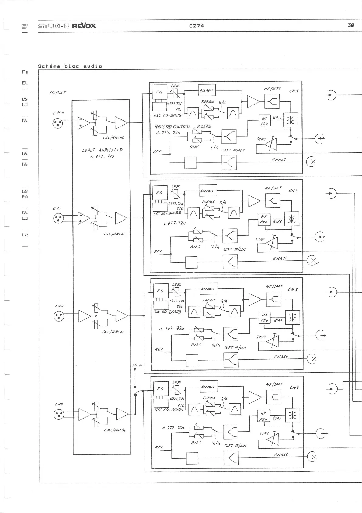
sch6ma-bl
oc audi
o
t-
l*:
EL
t5
LI
tb
*
PA
ta,
LIi
,VF/ron
<H4
4.777.
72o
<4t
/Uu<,tt
rllPui
AHpu rt
f
i?
./. 777
.
7./o
a-\-
I
B/AS
v./vz
t€rr!
t |
tuF/rdtr
./
717-
72ö
B/At
Vo/u,
coFr
,n1oa,
tt!'
-:f-
tuF/ra'r
. A l/atl./41
I