EasyManua.ls Logo

STUDER REVOX C274 - Page 105

Default Icon
Print Icon
To Next Page IconTo Next Page
To Next Page IconTo Next Page
To Previous Page IconTo Previous Page
To Previous Page IconTo Previous Page
Loading...
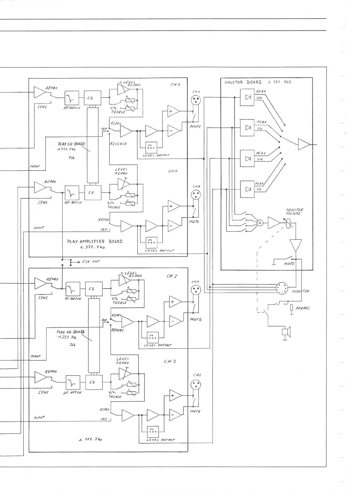
MOUTTOR SOAR!
).
17t.7(5
l€v{(
a
€zRo
{Yu(
,E-,uornt
lE
u€l o472ar
PLAY
AMPLIFIER
BOAI!
4,717.
?
40
LeveL
aq72U7
-l-+
fst
our
zf/€r
2
€21o
{Yuc
i-r
norru
/€u€l
o47P/7
tfil(
lF
t/07.//
\/v,
1.
777.
72lo
LeveL
aqfrs7