EasyManua.ls Logo

Studer D21m - Page 308

Studer D21m
316 pages
Print Icon
To Next Page IconTo Next Page
To Next Page IconTo Next Page
To Previous Page IconTo Previous Page
To Previous Page IconTo Previous Page
Loading...
D21m System
Date printed: 08.11.10
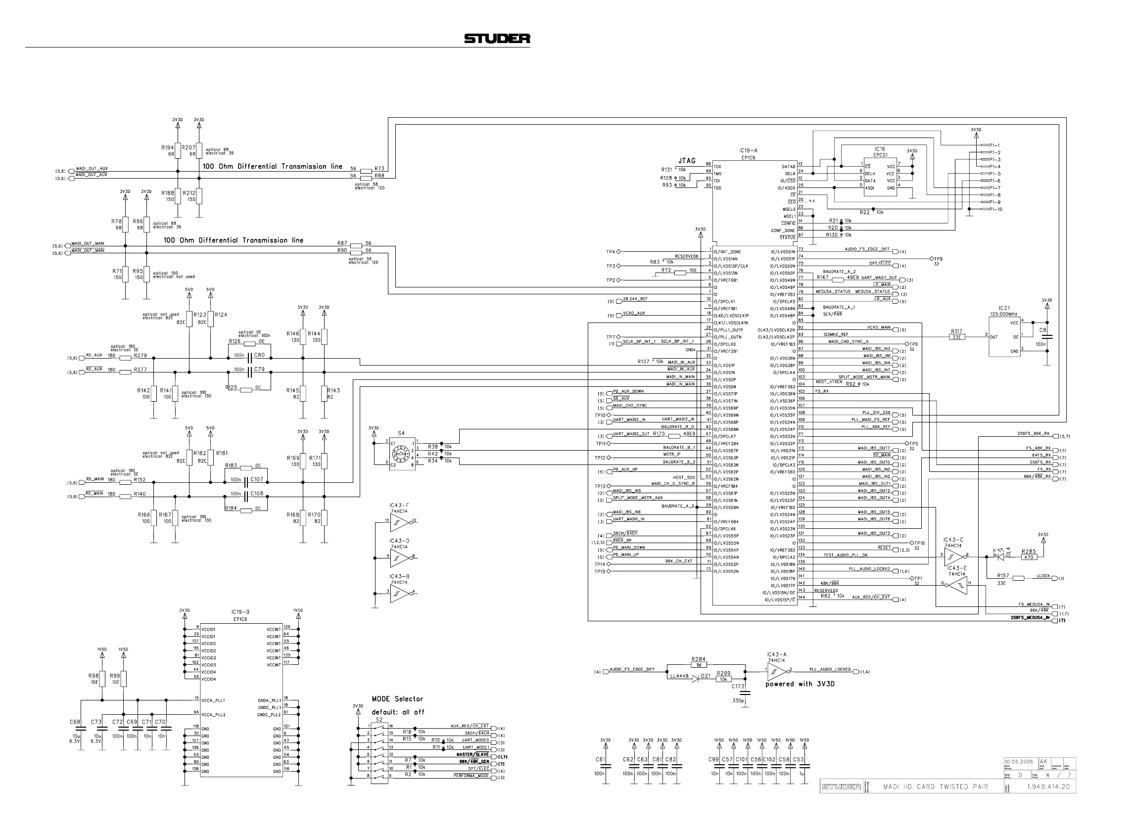
MADI HD Card (Twisted-Pair) A949.041420 Page: 4 of 7 (not available for new systems)

Other manuals for Studer D21m

Related product manuals