EasyManua.ls Logo

Stulz Mini-Space DX CCU51A - 12.1.1.2 Wiring Diagram

Stulz Mini-Space DX CCU51A
74 pages
Print Icon
To Next Page IconTo Next Page
To Next Page IconTo Next Page
To Previous Page IconTo Previous Page
To Previous Page IconTo Previous Page
Loading...
3
/08.2014/humidifier
{
EN
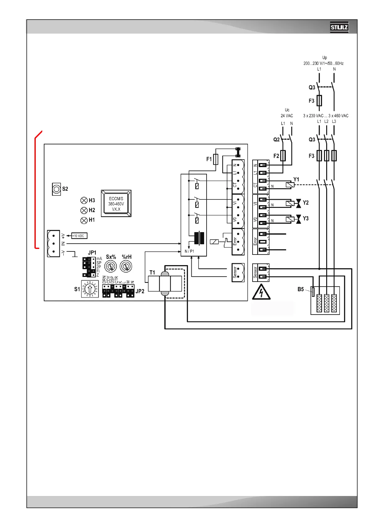
B5 Level sensor steam cylinder
F1 Fuse control board (2 A, time-lag)
F2/Q2 Automatic fuse control voltage
F3/Q3 MCB humidifier
H1 Red LED: Error
H2 Yellow LED: Service, Warning
H3 Green LED: Steam production
JP1 Jumper block 1
JP2 Jumper block 2
S1 Rotary switch unit type
S2 Drain/Info key
Sx% Potentiometer power limitation
%rH Potentiometer humidity value
Y1 Main contactor heating voltage
Y2 Inlet valve
Y3 Drain valve
T1 Current sensor
12.1.1.2 Wiring diagram of the control unit ECCM/S
Danger
Mains voltage
to C7000
alarm input
input signal from the C7000 controller

Related product manuals