EasyManua.ls Logo

Sub-Zero 500 Series - Page 65

Sub-Zero 500 Series
152 pages
Print Icon
To Next Page IconTo Next Page
To Next Page IconTo Next Page
To Previous Page IconTo Previous Page
To Previous Page IconTo Previous Page
Loading...
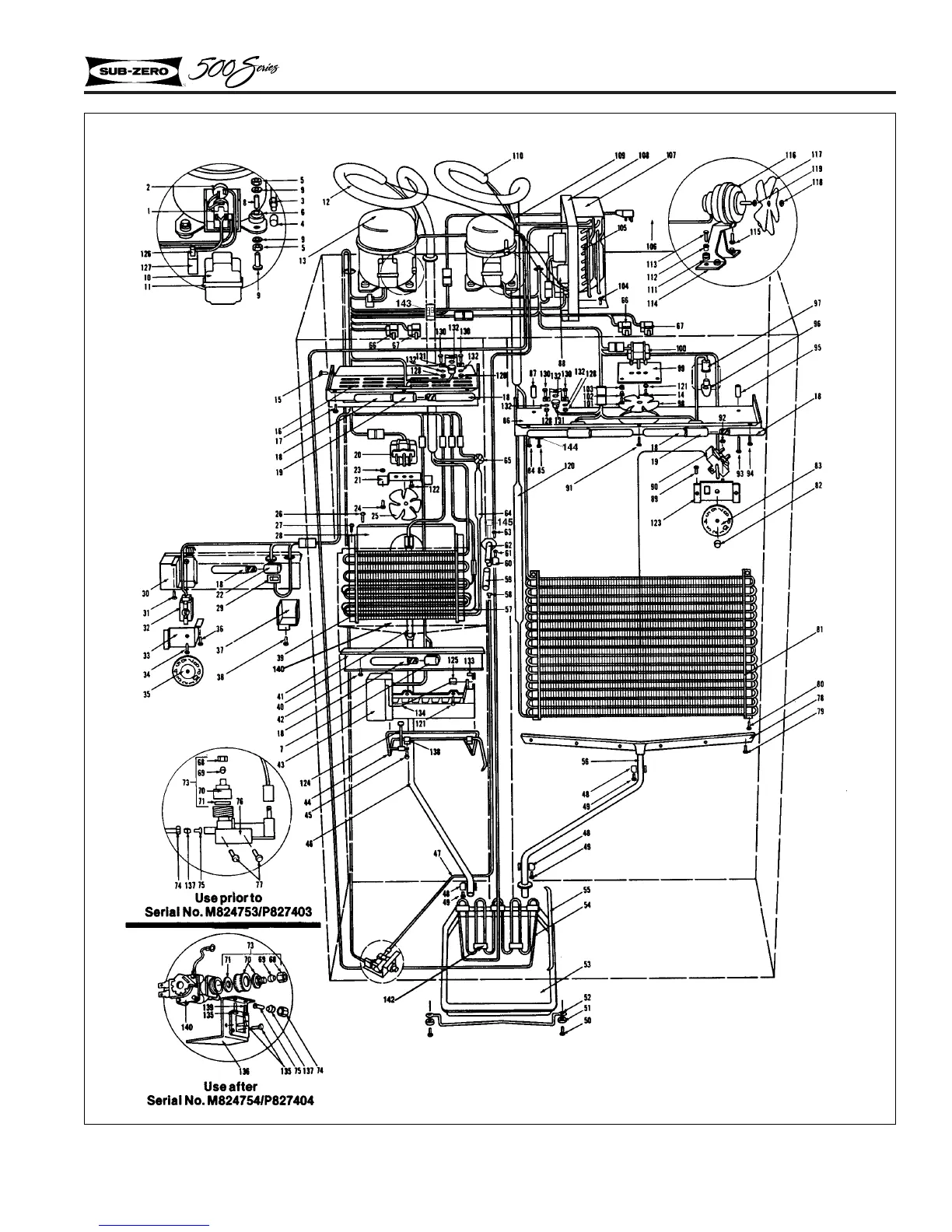
EXPLODED VIEWS & PARTS LISTS
4-27
532 SEALED SYSTEM VIEW

Table of Contents

Other manuals for Sub-Zero 500 Series

Related product manuals