EasyManua.ls Logo

Subaru IMPREZA 2001 - Page 37

Subaru IMPREZA 2001
189 pages
Print Icon
To Next Page IconTo Next Page
To Next Page IconTo Next Page
To Previous Page IconTo Previous Page
To Previous Page IconTo Previous Page
Loading...
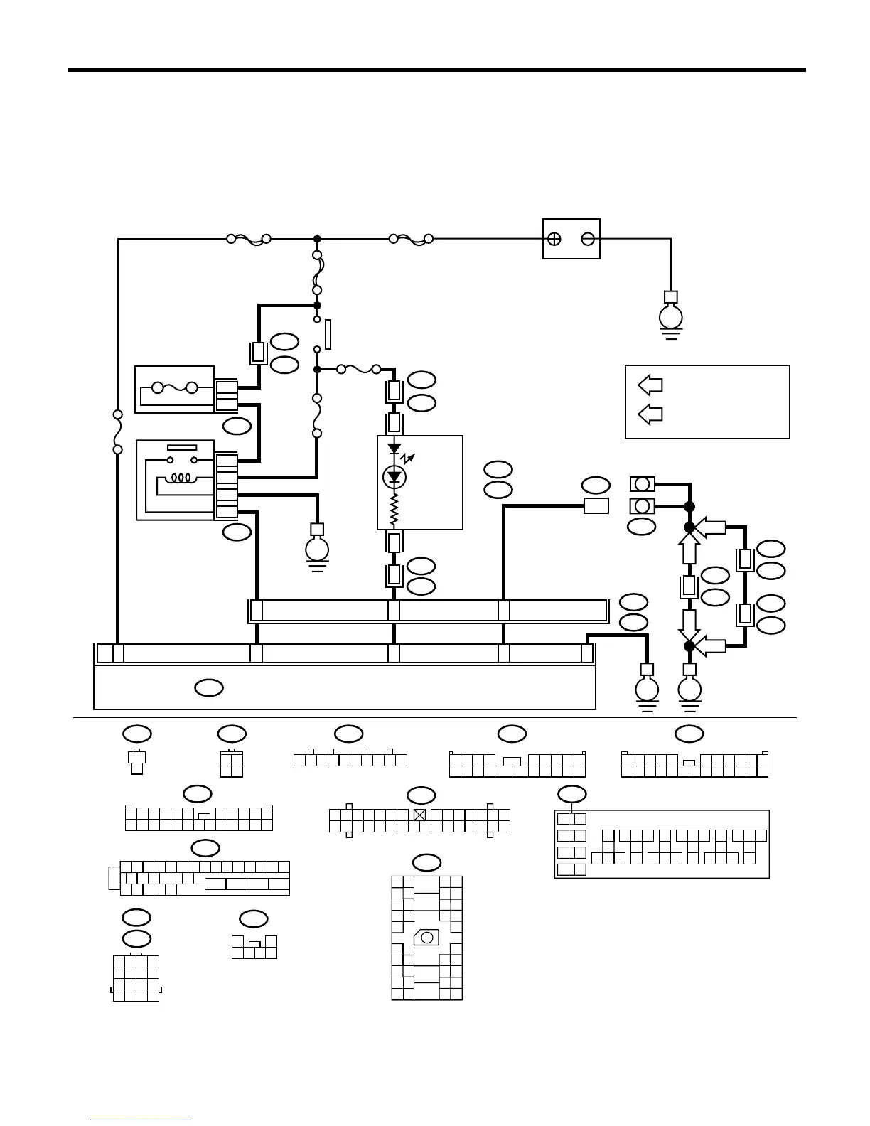
ABS-36
ABS (DIAGNOSTICS)
DIAGNOSTICS CHART WITH DIAGNOSIS CONNECTOR
C: TROUBLE CODE DOES NOT APPEAR.
DIAGNOSIS:
Diagnosis circuit is open.
TROUBLE SYMPTOM:
The ABS warning light turns on or off normally but the start code cannot be read out in the diagnostic mode.
WIRING DIAGRAM: LHD MODEL
BR0035
BATTERY
IGNITION
SWITCH
ABS RELAY
RELAY HOLDER
10A
5
6
2
1
3
4
SBF-3 SBF-1
SBF-4
B264
B225
B36
No.13
No.18
No.8
i1
i10A :
B :
i11
i2
B37
B200
F74
ABS
INDICATOR
LIGHT
COMBINATION
METER
E
EE
E
23
F46
F49
B108
2
A72
6
B3
11
8
19
24
TB : TURBO ENGINE MODEL
NA : NON-TURBO ENGINE
MODEL
4
23
22
B22
B82
E3
TB
TB
NANA
16
F60
E3
16
B209
F76
F46
F49
B22
B82
B36
B264 i10A :
i11B :
i2B200
B209
B225
RELAY HOLDER
D2
1
2
1
2
34
12
1
23456789
10
1234 56789
10 11 12 13 14 15 16 17 18 19 20
3412 89
10 11
12 13 14 15 16 17 18 19 20 21 22 23 24
567
12 13 14 15 16 17 18 19 20 21 22 23 24
1 2 3 4 5 6 7 8 9
10 11 12 13 14
15 16 17 18 19 20 21 22 23 24 25 26 27 28 29 30
10
11 12 13
14 15 16
17
18
19
20
21 22 23
24 25 26
27
28
29
30
31 32 33
34 35 36
37
38
1 2
9
3 4
5 6
7 8
1 2 3 4 5 6 7 8 9
10 11
123456 789
10 11
12 13 14 15
16 17 18 19 20 21 22
27 28 29 30 31
23 24 25 26
123
4
56
7
8
9
10
11 12
13
14 15 16
1
2
3456
DIAGNOSIS
TERMINAL
B81
ABS CONTROL MODULE AND HYDRAULIC CONTROL UNIT
A1 K2
B1 L2
C1M2
D1 N2
E1
G1Q2
H1 R2
I1
S2
J1
T2
F1
A3
C3
H3
J3
K4
L4
M4
N4
Q4
R4
S4
T4
A5
B5
C5
D5
E5
F5
G5
H5
I5
J5
F60

Related product manuals