EasyManua.ls Logo

Subzero SZ-DMR-200 - Headphone Input

Subzero SZ-DMR-200
11 pages
Print Icon
To Next Page IconTo Next Page
To Next Page IconTo Next Page
To Previous Page IconTo Previous Page
To Previous Page IconTo Previous Page
Loading...
7
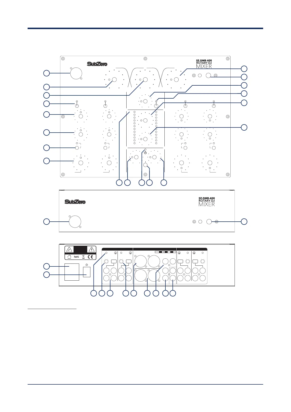
DMR 400 TOP PANEL
1. MIC INPUT
XLR input for connecting a microphone at the
top panel or front panel.
2. LOW CONTROL
Control BASS boosts and cuts frequencies in the
bass range.
3. MID CONTROL
Control MID boosts and cuts frequencies in the
middle range.
4. HIGH CONTROL
Control HIGH boosts and cuts frequencies in the
high range.
5. HEADPHONE INPUT
3.5 mm/6.3 mm jack ports for connecting stereo
headphones at the top panel or front panel. Turn
the level control (17) down before plugging in
any headphones, as sudden high-volume impact
may damage your ears.
MID HIGHLOW
+9dB
+9dB
+9dB
0db 0db 0db
BOOTH
MIX LEVEL
MASTER
10
+18
+12
+9
+6
+3
0
–3
–6
–11
–16
–21
–25
+18
+12
+9
+6
+3
0
–3
–6
–11
–16
–21
–25
0
100
10
0
MST 10CUE 0
CUE
SPLIT
PH 1 / LINE 1
CH 1
10–10HIGH
10–10
100
LOW
CUE
LEVEL
PH 2 / LINE 3
CH 2
10–10HIGH
10–10
100
LOW
CUE
LEVEL
PH 4 / LINE 7
CH 4
10–10HIGH
10–10
100
LOW
CUE
PH 3 / LINE 5
CH 3
10–10HIGH
10–10
100
LOW
CUE
LEVEL LEVEL
300Hz 4000Hz
MIC PHONES
MIC PHONES
OUTPUT
MASTER
R
R
R
L
R
L
R
L
R
L
L
L
BOOTH REC
LINE 6
PH / LINE
PH SENS
MAX MIN MAX MIN
PH SENS
PH / LINE
XLR
+ P1 P2 P3
LINE 4PH 3 / LINE 5 PH 2 / LI NE 3
CH 3CH 3 CH 2 CH 1
R
L
MAX MIN
PH SENS
PH / LINE
LINE 2 PH 1 / LINE 1
INPUT: 220-240VAC, 50/60Hz
FUSE: 2A, 250V
POWER CONSUMPTION: 10W
CAUTION
RISK OF ELECTRIC SHOCK
DISCONNECT INPUT POWER
BEFORE OPENING. Ta=40°C
WARNING: THIS APPLIANCE MUST BE EARTHED
LINE 8
PH / LINE
PH SENS
MAX MIN
PH 4 / LINE 7
AC IN
1
5
16 17
19
4
1813
2
3
6
7
8
9
10
11
12
14
15
1 5
20
21
2522 23 24 26 28 27 29 30
PARTS AND FUNCTIONS DMR-400