EasyManua.ls Logo

Sullair SRC-250 - 8.7 Refrigerant Circuit Diagrams

Sullair SRC-250
66 pages
Print Icon
To Next Page IconTo Next Page
To Next Page IconTo Next Page
To Previous Page IconTo Previous Page
To Previous Page IconTo Previous Page
Loading...
SRC-- 1 5 0 --- S RC -- 1000
34
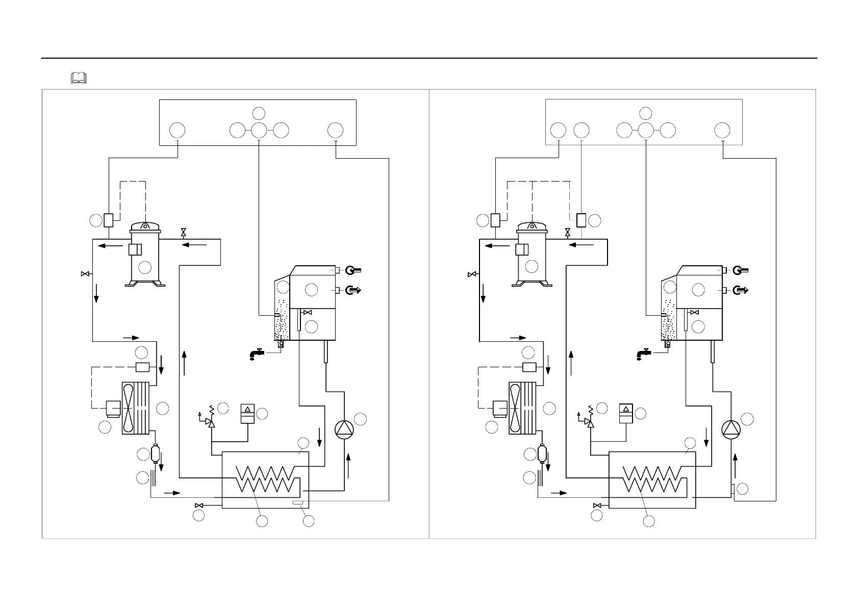
8.7 Refrigerant circuit / Circuits de fluide frigorigène / Circuitos de refrigerante
SRC-- 150 --- SRC-- 200
9
3
12
2
7
8
10
15
5
4
HP
14
6
20
13
22
18
T0 LdHd B2
11
1
A1
SRC-- 250 --- SRC-- 500
9
3
12
2
7
8
10
15
5
4
HP
14
6
20
13
18
B1 LdHd B2LP
16
19
1
22
A1

Other manuals for Sullair SRC-250

Related product manuals