EasyManua.ls Logo

Sullair SRC-400 - Page 36

Sullair SRC-400
66 pages
Print Icon
To Next Page IconTo Next Page
To Next Page IconTo Next Page
To Previous Page IconTo Previous Page
To Previous Page IconTo Previous Page
Loading...
SRC-- 1 5 0 --- S RC -- 1000
34
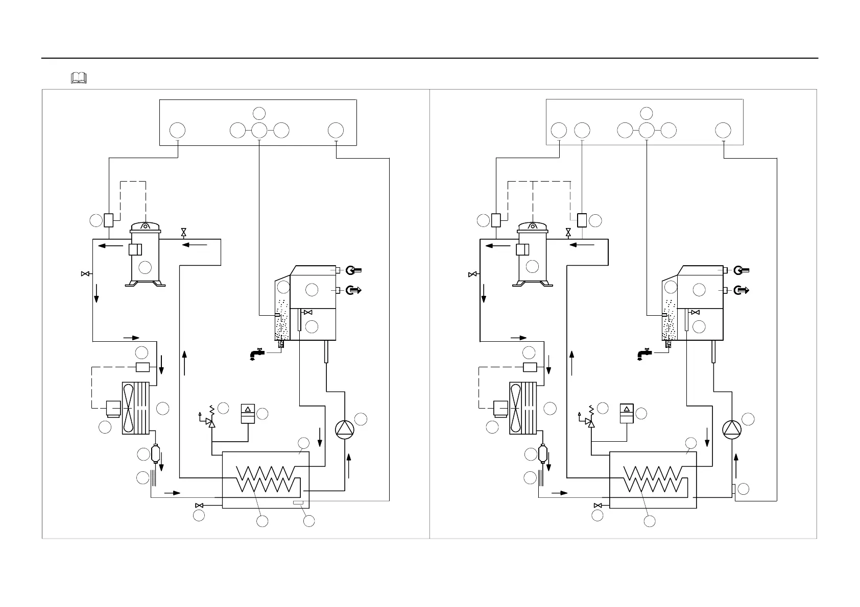
8.7 Refrigerant circuit / Circuits de fluide frigorigène / Circuitos de refrigerante
SRC-- 150 --- SRC-- 200
9
3
12
2
7
8
10
15
5
4
HP
14
6
20
13
22
18
T0 LdHd B2
11
1
A1
SRC-- 250 --- SRC-- 500
9
3
12
2
7
8
10
15
5
4
HP
14
6
20
13
18
B1 LdHd B2LP
16
19
1
22
A1

Other manuals for Sullair SRC-400

Related product manuals