EasyManua.ls Logo

Sullair SRC-400 - Page 39

Sullair SRC-400
66 pages
Print Icon
To Next Page IconTo Next Page
To Next Page IconTo Next Page
To Previous Page IconTo Previous Page
To Previous Page IconTo Previous Page
Loading...
37
SRC-- 1 5 0 --- S RC -- 1000
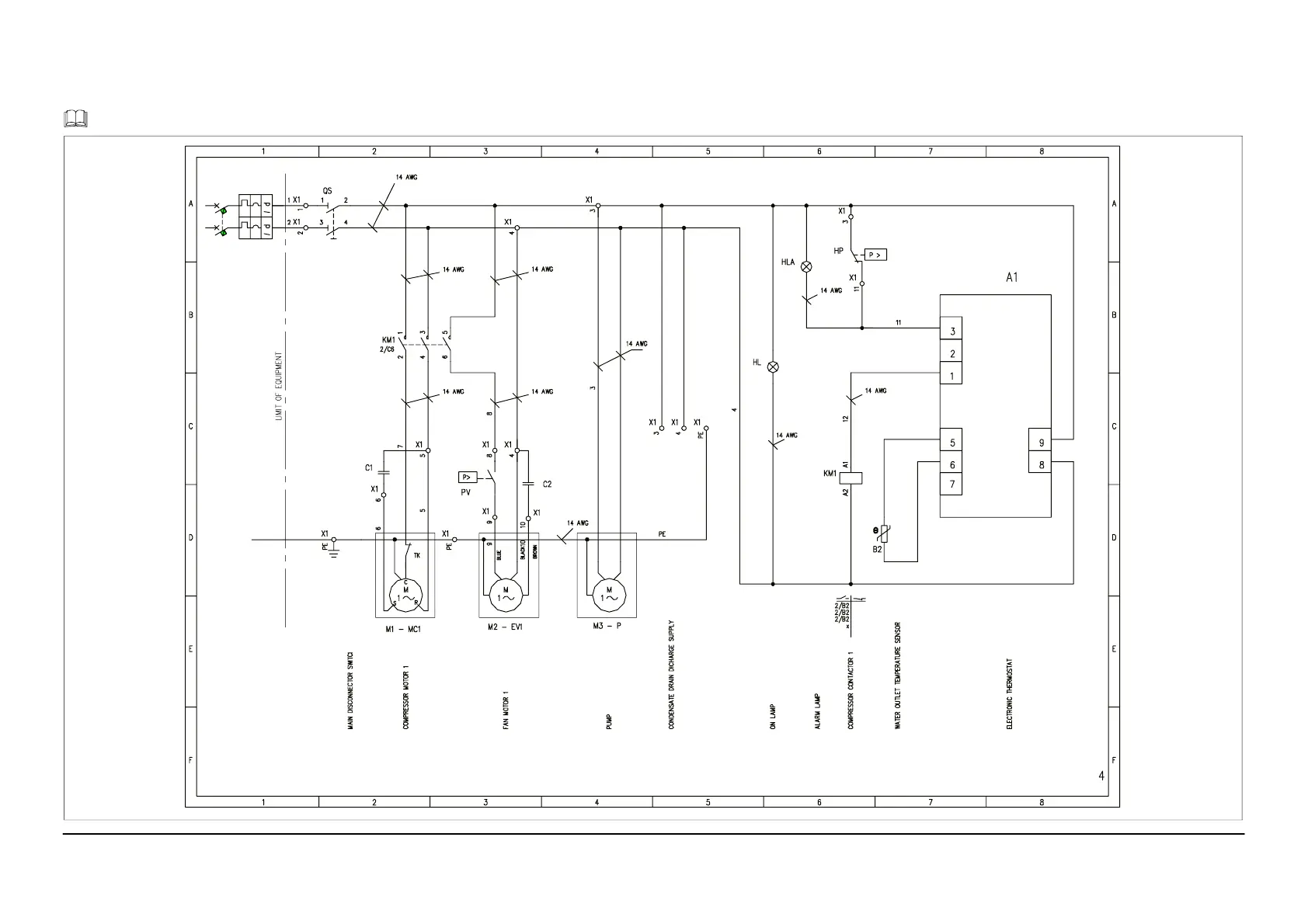
Wiring diagram / Schéma électrique / Esquema eléctrico SRC-- 150 (115V/1Ph/60Hz) (Sheet 2 of 2)

Other manuals for Sullair SRC-400

Related product manuals