EasyManua.ls Logo

Sumitomo F-70H - Page 41

Sumitomo F-70H
46 pages
Print Icon
To Next Page IconTo Next Page
To Next Page IconTo Next Page
To Previous Page IconTo Previous Page
To Previous Page IconTo Previous Page
Loading...
Troubleshooting
37
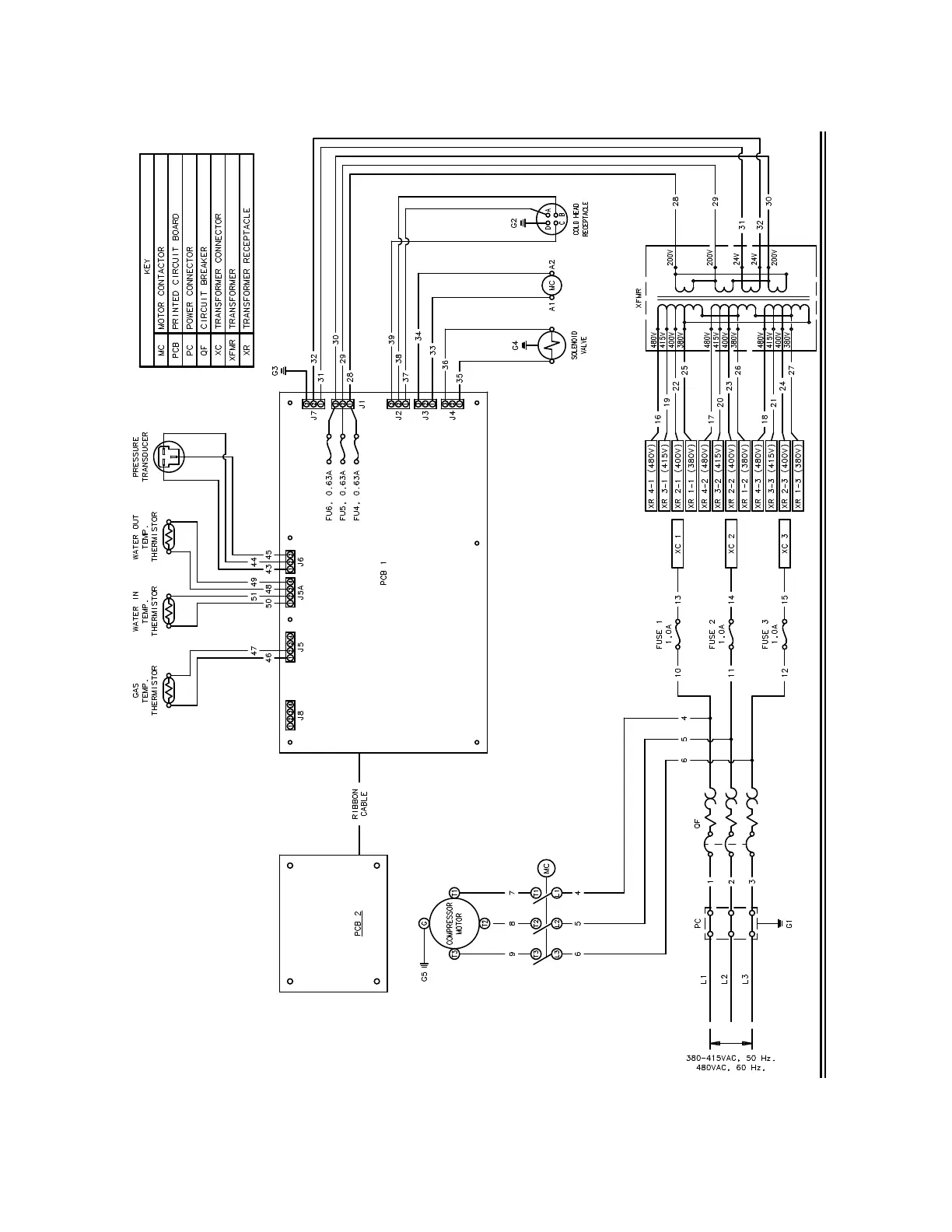
Figure 5 F-70H Compressor Wiring Schematic

Related product manuals