EasyManua.ls Logo

Sumitomo HF-320 - SF-320 Basic Wiring Diagram; Power and Motor Connections; Control Circuit Wiring

Sumitomo HF-320
36 pages
Print Icon
To Next Page IconTo Next Page
To Next Page IconTo Next Page
To Previous Page IconTo Previous Page
To Previous Page IconTo Previous Page
Loading...
16
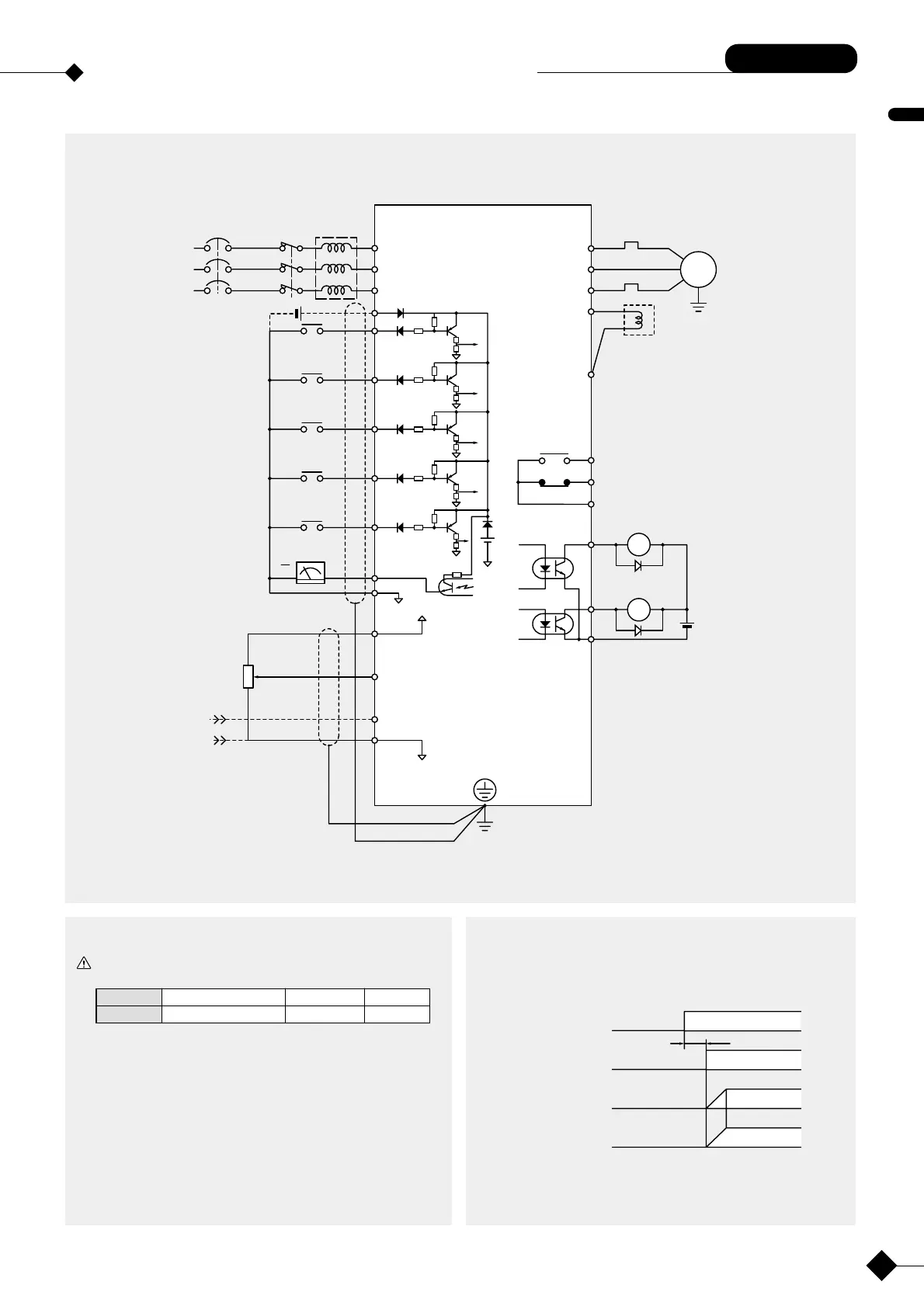
Basic Connection Diagram
+
L
RY2
RY1
+
PCS
L
L
L
L
[Turn on the main power at the timing shown below.]
Main circuit power
Run command
Output frequency
Motor rpm
t>2.0 second
(Note 4)
Power
3-phase 200230V 50/60Hz
3-phase 380460V 50/60Hz
MCB
Inverter
TH
Option
ACL
(Note 1)
MC
DCL
(DC reactor) (option)
Alarm output contact
R
S
T
DC24V
SF
-
320
P
P1
W
V
U
IRF
COM
V
VRF
(In case of supplying
external DC power)
DC10V
Frequency setting device
1k2k
Current input
420mA
OM
DRV
UPF
DC24V
AL1
IM
AL2
AL0
FR
RR
2DF
3DF
RST
FRQ
COM
Ground
(Note 2)
(Note 7)
Basic Connection Diagram
(Note 4) Refer to the figure at right for the power ON and
Run command ON timing. Even if the main circuit
power and operation command are turned ON
simultaneously, the control power will not be turned
ON for 2.0 seconds and not permit operation.
(Note 5) When the contactor is to be opened and closed for
each operation, be sure to insert an ACL on the primary
side of the contactor to reduce the inrush current.
(Note 6) When a DC reactor is used, remove the shorting
bar between terminals P and P1.
(Note 7) Provide external thermal overload protection for each
when operating frequency is below 30 Hz or when
multiple motors are used.
FR, RR, 2DF, 3DF, RST, FRQ +V, VRF, IRF UPF, DRV
COM COM OM
Terminal
Common
Basic connection diagram
(Note 1) Do not start and stop the motor with only the MC
swithch.
(Note 2) Be sure to ground the inverter chassis and motor.
(Note 3) The common of each terminals differ.
SF-320

Related product manuals