EasyManua.ls Logo

Summers ULTRA - Page 93

Summers ULTRA
192 pages
Print Icon
To Next Page IconTo Next Page
To Next Page IconTo Next Page
To Previous Page IconTo Previous Page
To Previous Page IconTo Previous Page
Loading...
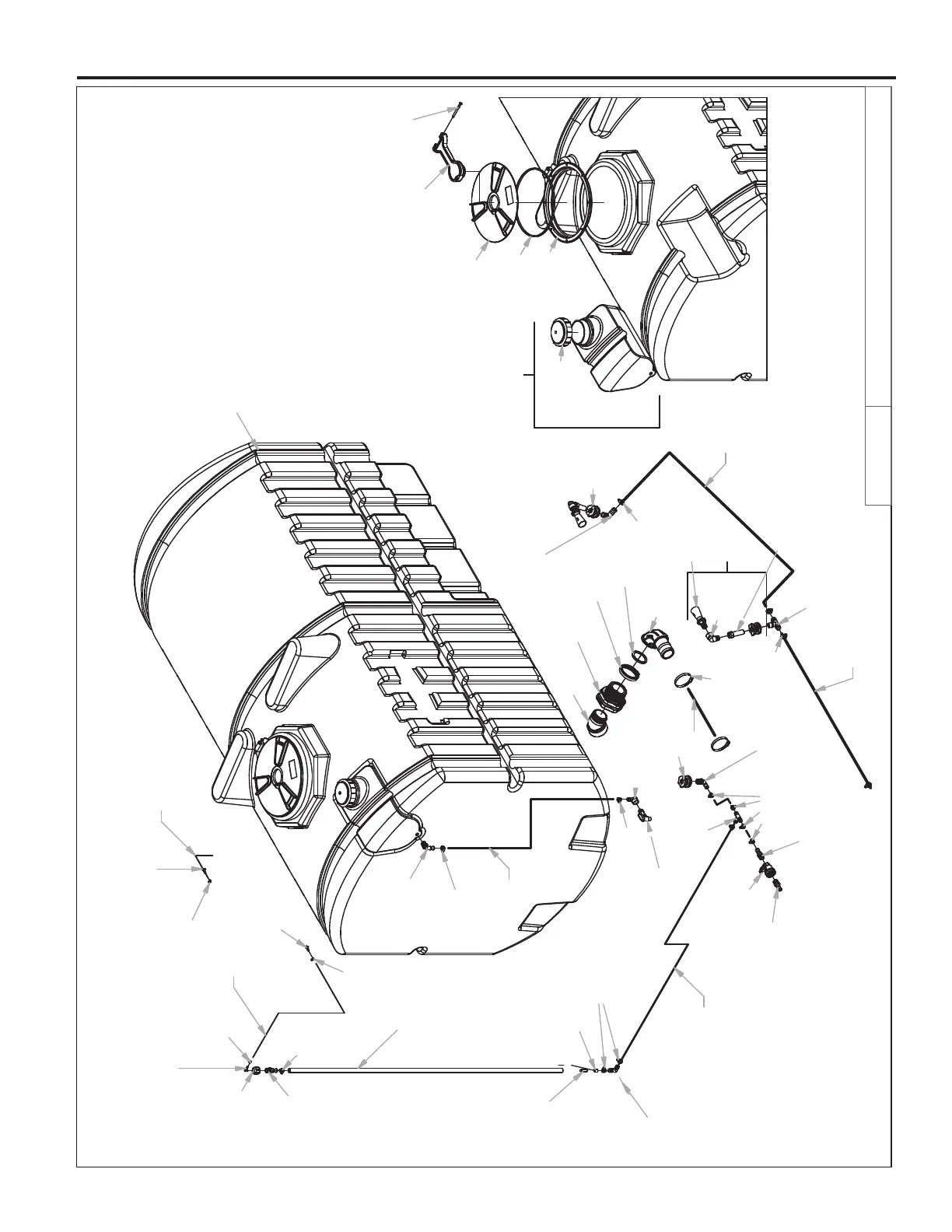
SECTION 8 - PARTS
8.19
1500 GAL NARROW CART PKG7/18/2013
8S9336.iam/
NARROW CART PACKAGE - 1500 GAL TANK
PAGE 3 OF 3
8A1273
3/4" JA MPT
8A2008
3/4" SE
8A2033B
3/4" AT EXT
8A2016
8A1446
8A1447B
8A1450
8A1445
8A1448
8S3115
8S3111
8F3917A
1/4"HB X 1/8"MPT E, BR
8A1000
1/4" HC
8F3917A
1/4"HB X 1/8"MPT E, BR
8A1000
1/4" HC
8A1000
1/4" HC
8F3917A
1/4"HB X 1/8"MPT E, BR
8A2137
3/4" PIPE CAP
8A2007
3/4"HB X 3/4"MPT
8A1007
3/4" HC
8A4015
TUBING 3/4" CLR-76"
8A3100
9/16"X2" FLOAT
8F9410
APPLCTR HOSE 3/8"
8A1007
3/4" HC
8A2123
3/4" HB E
8A2007
3/4"HB X 3/4"MPT
8A1250
3/4" BV
8A2007
3/4"HB X 3/4"MPT
8A1007
3/4" HC
8A2127
3/4" HB T
8A2015
3/4" HB E
8A1400
3/4" BH
8S3108
SPIGOT
8A2009
3/4"HB & 3/4"FPT E
8A1007
3/4" HC
8A1007
3/4" HC
8A2015
3/4" HB E
8A1400
3/4" BH
8A2017
1"HB X 3/4"MPT E
8A1009
1" HC
8A2018
3/4"MPT X (2) 1"HB T
8A1009
1" HC
8A4010
8A4005
8A4005
(TO PUMP VENT)
8A4010
8A4020
8A4020
8A1335
8A1005
4" HC
8A2063
3" 45° SE
8A1414
3" BH
8A1412
3" GSKT
8A2261
3" 90° FE
8A2235
FC 300
8A4037

Related product manuals