EasyManua.ls Logo

sunair RT-9000C - Page 378

Default Icon
393 pages
Print Icon
To Next Page IconTo Next Page
To Next Page IconTo Next Page
To Previous Page IconTo Previous Page
To Previous Page IconTo Previous Page
Loading...
RT-9000C Hardware Supplement
Document No. 8121000602
Revision A (19 Mar 2007)
8-54
RT-9000C
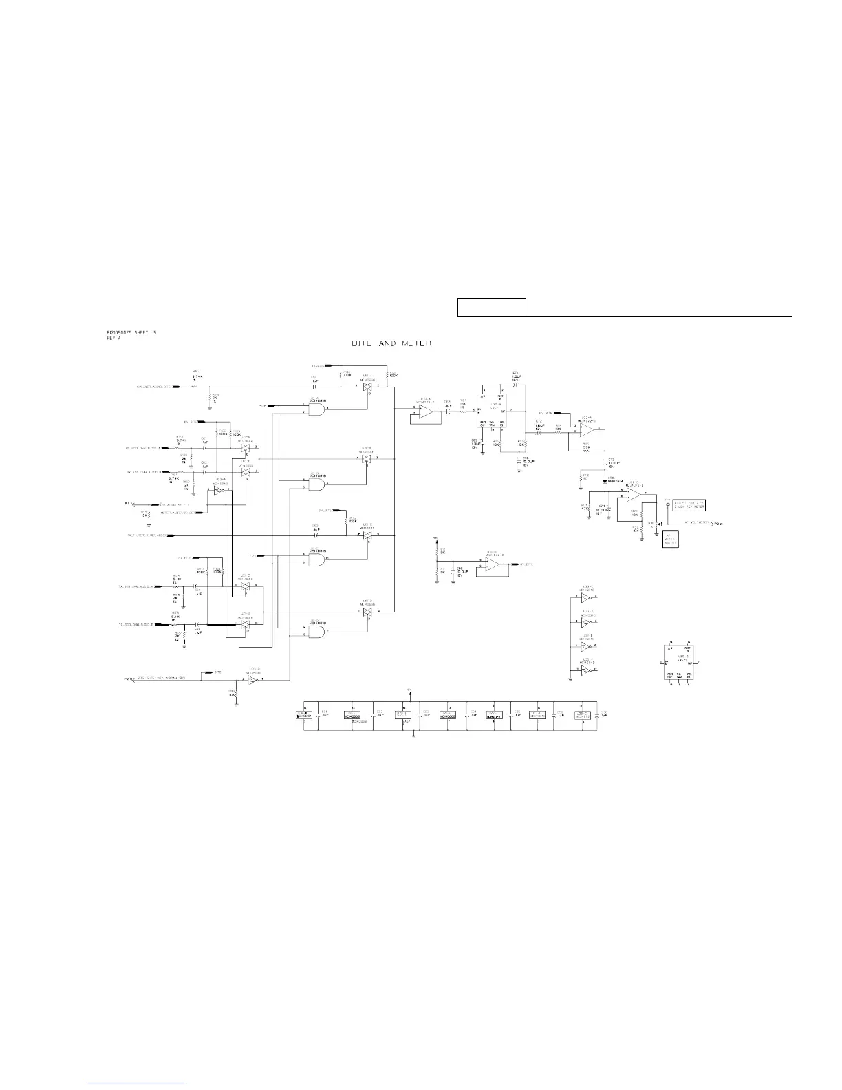
Figure 8.17 1A2A3 Digital Audio Assembly – Schematic Diagram (Sheet 5 of 7)