EasyManua.ls Logo

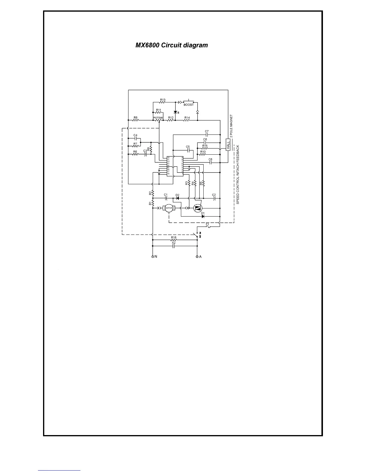
Sunbeam MX6800 Retro Mixmaster - MX6800 Circuit Diagram

Sunbeam MX6800 Retro Mixmaster
6 pages
Print Icon
To Previous Page IconTo Previous Page
To Previous Page IconTo Previous Page
Loading...
MX6800 Retro Mixmaster Issue: A Page 6 of 6

Related product manuals