EasyManua.ls Logo

Sunny SF-E905 - Step 3: Swing Bar Assembly

Sunny SF-E905
63 pages
Print Icon
To Next Page IconTo Next Page
To Next Page IconTo Next Page
To Previous Page IconTo Previous Page
To Previous Page IconTo Previous Page
Loading...
13
We value your experience using Sunny Health and Fitness products. For assistance with parts or
troubleshooting, please contact us at support@sunnyhealthfitness.com or 1-877-90SUNNY (877-
907-8669).
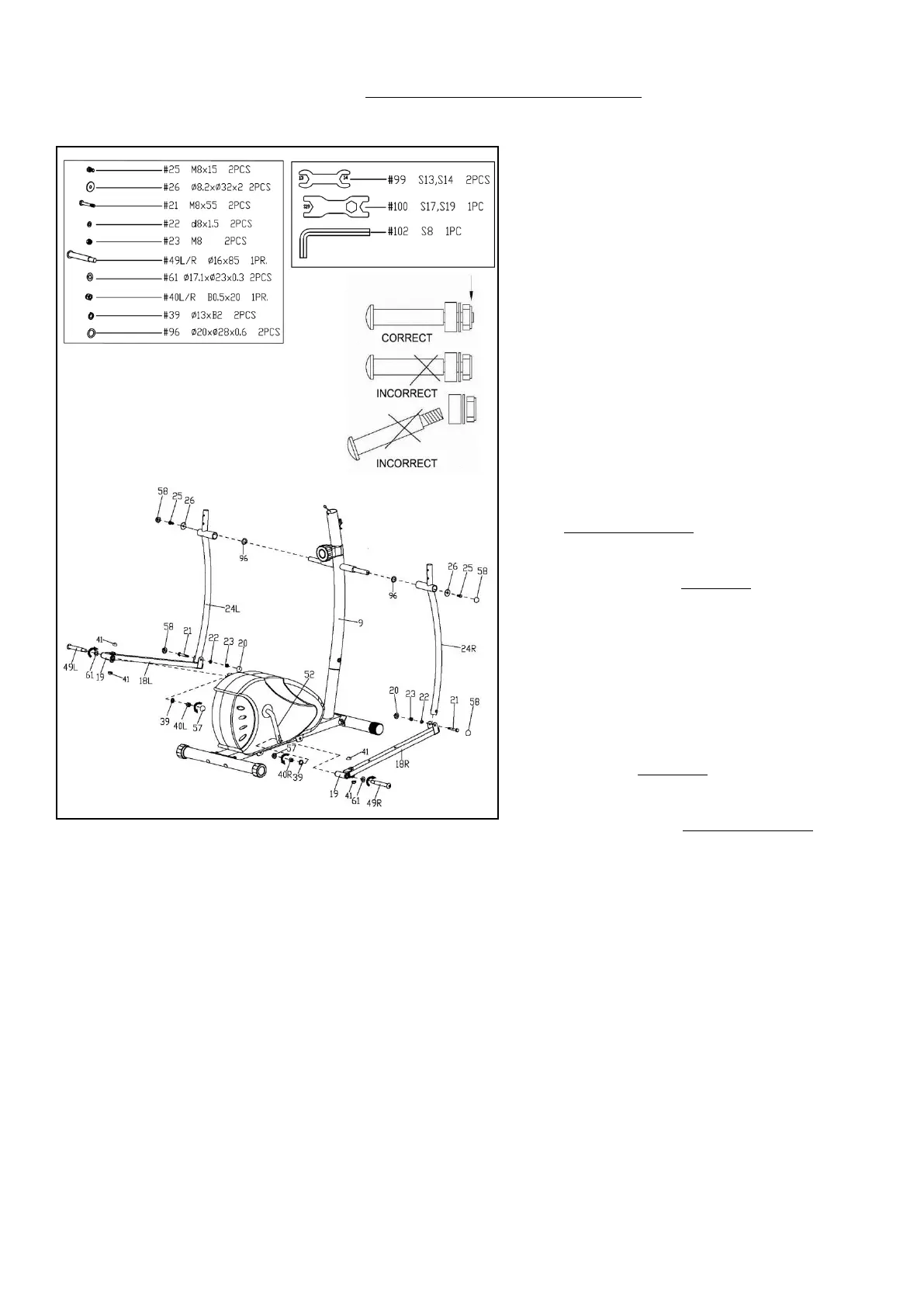
STEP 3:
Remove 2 Wave Washers (No. 96), 2 Hex
Bolts (No. 25) and 2 Flat Washers (No. 26)
from the long axle of the Handlebar Post (No.
9) with 2 Spanners (No. 99). Attach 2 Wave
Washers (No. 96) onto the two sides of the long
axle of the Handlebar Post (No. 9). Then attach
2 Swing Bars (No. 24L/R) to the long axle of
the Handlebar Post (No. 9) with 2 Hex Bolts
(No. 25) and 2 Flat Washers (No. 26) that were
just removed with 2 Spanners (No. 99).
NOTE: Please do not fully tighten at this time.
Attach the Left Hinge Bolt (No. 49L) through 1
Wave Washer (No. 61) and the Connecting
Joint (No. 19) on the Left Pedal Support Tube
(No. 18L), then screw into the left side of Crank
Arm (No. 52). Turn the Left Hinge Bolt (No.
49L) counter-clockwise as tightly as you can
with your hand. Secure by tightening 1 Spring
Washer (No. 39) and 1 BLACK color Left
Nylon Nut (No. 40L) clockwise to the thread
end of Left Hinge Bolt (No. 49L). Then use
Allen Wrench (No. 102) and Spanner (No.
100) to tighten.
Attach the Right Hinge Bolt (No. 49R) through
1 Wave Washer (No. 61) and the Connecting
Joint (No. 19) on the Right Pedal Support
Tube (No. 18R) , then screw into the right side
of Crank Arm (No. 52). Turn the Right Hinge
Bolt (No. 49R) clockwise as tightly as you can
with your hand. Secure by tightening 1 Spring
Washer (No. 39) and 1 WHITE color Right
Nylon Nut (No. 40R) counter-clockwise to the
thread end of Right Hinge Bolt (No. 49R).
Then use Allen Wrench (No. 102) and
Spanner (No. 100) to tighten.
Fig. 1
NOTE: Please do not fully tighten at this time. Please attach the Hinge Bolts (No. 49L/R) correctly as Fig. 1
showed. If the Hinge Bolts (No. 49L/R) are connected to the Crank Arm (No. 52) at an angle, damage to both
the hinge thread and the crank arm may occur. Hinge Bolts (No. 49L/R) is labeled L for LEFT and R for RIGHT.
The Hinge Bolts (No. 49L/R) must fully penetrate the nylon ring of the Nylon Nuts (No. 40L/R). This will ensure
the stability and durability of your Elliptical Trainer.
Remove 2 Hex Bolts (No. 21), 2 Flat Washers (No. 22) and 2 Nylon Nuts (No. 23) from 2 Pedal Support
Tubes (No. 18L/R). Then attach the 2 Swing Bars (No. 24L/R) to the 2 Pedal Support Tubes (No. 18L/R) with
2 Hex Bolts (No. 21), 2 Flat Washers (No. 22) and 2 Nylon Nuts (No. 23) that were just removed. Tighten and
secure with 2 Spanners (No. 99).
.
NOTE: If fail to screw in Hex Bolts (No. 21), please move the Crank Arm (No. 52) to a different angle and retry
it.
Fasten 2 Hex Bolts (No. 25) and 2 Nylon Nuts (No. 40L/R) tightly now. Then cover with the 12 Nut Caps (No.
20 & No. 58 & No. 57 & No. 41).

Related product manuals