EasyManua.ls Logo

Sunny SF-E905 - Page 44

Sunny SF-E905
63 pages
Print Icon
To Next Page IconTo Next Page
To Next Page IconTo Next Page
To Previous Page IconTo Previous Page
To Previous Page IconTo Previous Page
Loading...
43
Wir schätzen Ihre Erfahrung im Umgang mit den Produkten von Sunny Health and Fitness. Für
Fragen zu Teilen oder Hilfe bei der Fehlerbehebung kontaktieren Sie uns bitte unter
support@sunnyhealthfitness.com oder 1-877-90SUNNY (877-907-8669).
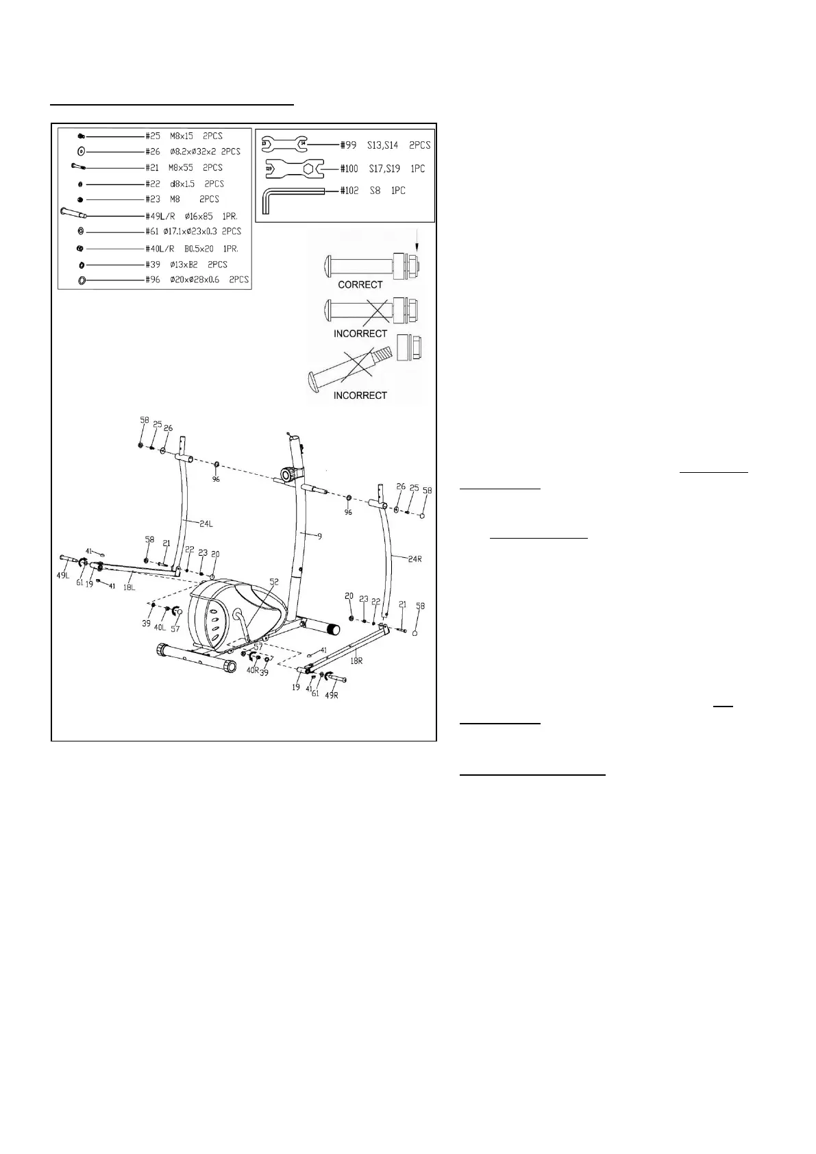
SCHRITT 3:
Entfernen Sie 2 Wellenscheiben (Nr. 96), 2
Sechskantschrauben (Nr. 25) und 2
Unterlegscheiben (Nr. 26) von der langen Achse der
Lenkerstütze (Nr. 9) mit 2 Schraubenschlüsseln
(Nr. 99). Befestigen Sie 2 Wellenscheiben (Nr. 96) an
den beiden Seiten der langen Achse der
Lenkerstütze (Nr. 9). Befestigen Sie dann 2
Schwenkstangen (Nr. 24L/R) an der langen Achse
der Lenkerstütze (Nr. 9) mit 2 Sechskantschrauben
(Nr. 25) und 2 Unterlegscheiben (Nr. 26), die gerade
mit 2 Schraubenschlüsseln (Nr. 99) entfernt wurden.
HINWEIS: Ziehen Sie die Schraube zu diesem
Zeitpunkt noch nicht ganz fest.
Befestigen Sie die Linke Scharnierbolzen (Nr. 49L)
durch eine Wellenscheibe (Nr. 61) und das
Verbindungsgelenk (Nr. 19) am Linken
Pedalstützrohr (Nr. 18L) und schrauben Sie sie dann
in die linke Seite des Kurbelarm (Nr. 52). Drehen Sie
die Linke Scharnierbolzen (Nr. 49L) gegen den
Uhrzeigersinn so fest, wie Sie es mit der Hand
nnen. Sichern Sie sie, indem Sie 1 Federscheibe
(Nr. 39) und 1 SCHWARZE Linke Nylonmutter (Nr.
40L) im Uhrzeigersinn auf das Gewindeende der
Linke Scharnierbolzen (Nr. 49L) schrauben. Dann
den Inbusschlüssel (Nr. 102) und den
Schraubenschlüssel (Nr. 100) zum Festziehen
verwenden.
Befestigen Sie die Rechte Scharnierbolzen (Nr. 49R)
durch eine Wellenscheibe (Nr. 61) und das
Verbindungsgelenk (Nr. 19) am Rechten
Pedalstützrohr (Nr. 18R) und schrauben Sie sie dann
in die rechte Seite des Kurbelarm (Nr. 52). Drehen
Sie die Rechte Scharnierbolzen (Nr. 49R) im
Uhrzeigersinn so fest, wie Sie es mit der Hand
nnen. Sichern Sie sie, indem Sie 1 Federscheibe
(Nr. 39) und 1 weiße Rechte Nylonmutter (Nr. 40R)
gegen den Uhrzeigersinn auf das Gewindeende der
Rechte Scharnierbolzen (Nr. 49R) schrauben.
Ziehen Sie sie dann mit dem Inbusschlüssel (Nr.
102) und dem Schraubenschlüssel (Nr. 100) fest.
HINWEIS: Wenn die Scharnierbolzen (Nr. 49L/R) in einem Winkel mit dem Kurbelarm (Nr. 52) verbunden werden,
werden sowohl das Scharniergewinde als auch der Kurbelarm beschädigt. Die Scharnierbolzen (Nr. 49L/R) sind mit L
r LINKS und R für RECHTS beschriftet. Die Scharnierbolzen (Nr. 49L/R)ssen den Nylonring der Nylonmuttern
(Nr. 40L/R) vollständig durchdringen. Dies gewährleistet die Stabilität und Haltbarkeit Ihres Ellipsentrainers.
Entfernen Sie 2 Sechskantschrauben (Nr. 21), 2 Unterlegscheiben (Nr. 22) und 2 Nylonmuttern (Nr. 23) von den 2
Pedalstützrohren (Nr. 18L/R). Befestigen Sie dann die 2 Schwenkstangen (Nr. 24L/R) mit 2 Sechskantschrauben
(Nr. 21), 2 Unterlegscheiben (Nr. 22) und 2 Nylonmuttern (Nr. 23), die gerade entfernt wurden, an den 2
Pedalstützrohren (Nr. 18L/R). Ziehen Sie sie mit 2 Schraubenschsseln (Nr. 99) fest und sichern Sie sie.
HINWEIS: Wenn Sie die Sechskantschrauben (Nr. 21) nicht einschrauben können, stellen Sie den Kurbelarm (Nr.
52) in einen anderen Winkel und versuchen Sie es erneut.
Ziehen Sie nun 2 Sechskantschrauben (Nr. 25) und 2 Nylonmuttern (Nr. 40L/R) fest an. Dann mit den 12
Mutternkappen (Nr. 20 & Nr. 58 & Nr. 57 & Nr. 41) abdecken.
se move the Crank Arm (No. 52) to a different angle and retry it.
Fasten 2 Hex Bolts (No. 25) and 2 Nylon Nuts (No. 40L/R) tightly now. Then cover with the 12 Nut Caps (No. 20
& No. 58 & No. 57 & No. 41).
Fig.1

Related product manuals