EasyManua.ls Logo

Sunrain YT-200TB1 - Refrigerant Circuit

Sunrain YT-200TB1
37 pages
Print Icon
To Next Page IconTo Next Page
To Next Page IconTo Next Page
To Previous Page IconTo Previous Page
To Previous Page IconTo Previous Page
Loading...
All In One Heat Pump For Domestic Hot Water
produce heat water thermal efficiency can be approximately 4.16 (Under the
condition A20/1C W15/55 ºC);
8. Within the temperature range from -7 ºC to 43 ºC, the unit will not be affected by
night, cloudy sky, rain even snow weather;
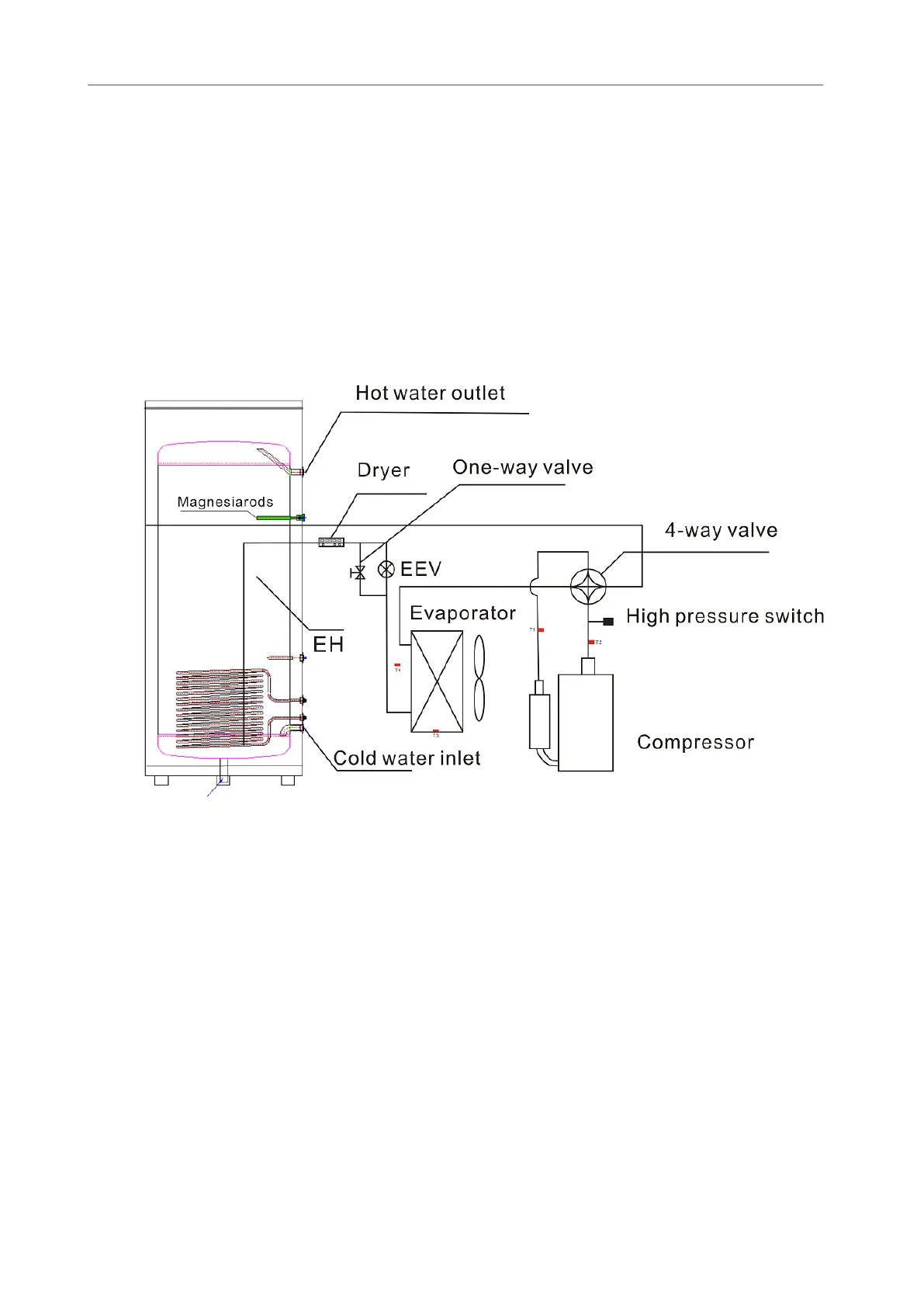
IV.Refrigerant circuit
Compressor: R134A, supplied by GMCC.
Evaporator: Copper tube and aluminum fin type heat ex-changer.
EXV: Electronic expansion valve, the opening is regulated according to the
discharge air temperature of compressor.
Fan: Centrifugal fan with three speeds.
High Pressure Switch: When the discharge pressure of compressor is 2.76Mpa or
higher, the protection switch will be triggered, and if the discharge pressure is down
to 2.07MPa, the protection switch will be recovered.

Related product manuals