EasyManua.ls Logo

SUNWIND RMF013 - Assembly and Setup; Step-by-Step Assembly

SUNWIND RMF013
Print Icon
To Next Page IconTo Next Page
To Next Page IconTo Next Page
To Previous Page IconTo Previous Page
To Previous Page IconTo Previous Page
Loading...
14
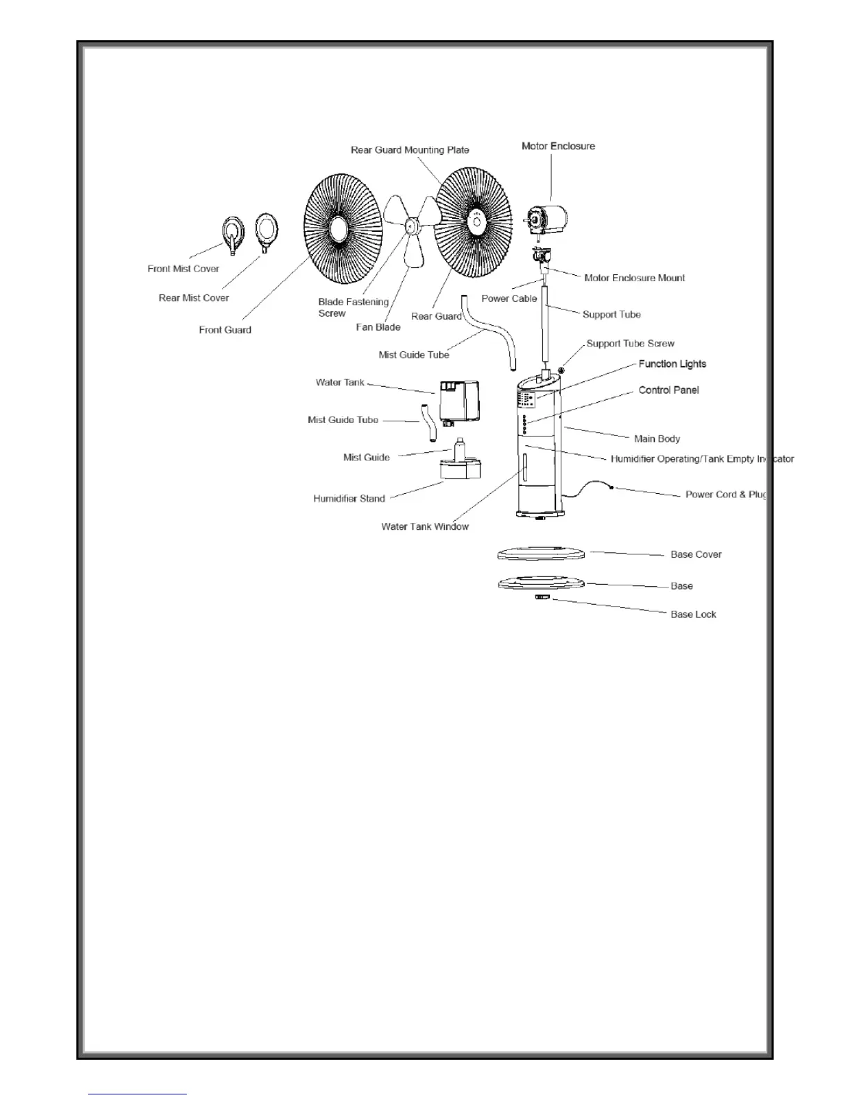
Assembling Explanatory Drawing
Assembly And Install The Device
Fan Assembly
1
st
step: Assemble the Base front cover and Base aggravating set.
Then fix Casters to Base part;
2
nd
step: Insert Support tube to Main part. Then fasten Support
tube screw meson for support pole;
3
rd
step: Assemble Main part to Base and fasten with Base lock
nut;
4
th
step: Assemble Rear guard to Fan motor head, then fasten with
Rear guard lock nut;
5
th
step: Assemble Fan blade to motor shaft and fasten Blade
fastening screw anticlockwise.
6
th
step: Hitch Front guard with Hoop net, then assemble Rear
guard together with some force. Finally lock the hoop net;
7
th
step: Insert Mist guide tube to Front mist cover, and insert the